授权公布号:CN215559332U
一种具有循环功能的水景喷雾用过滤装置
有效
申请
2020-12-23
申请公布
1970-01-01
授权
2022-01-18
预估到期
2030-12-23
| 申请号 | CN202023130844.8 |
| 申请日 | 2020-12-23 |
| 授权公布号 | CN215559332U |
| 授权公告日 | 2022-01-18 |
| 分类号 | C02F9/02;B05B17/08 |
| 分类 | 水、废水、污水或污泥的处理; |
| 申请人名称 | 杭州一恺科技有限公司 |
| 申请人地址 | 浙江省杭州市拱墅区丽水路166号124幢G5室 |
专利法律状态
2022-01-18
授权
状态信息
授权
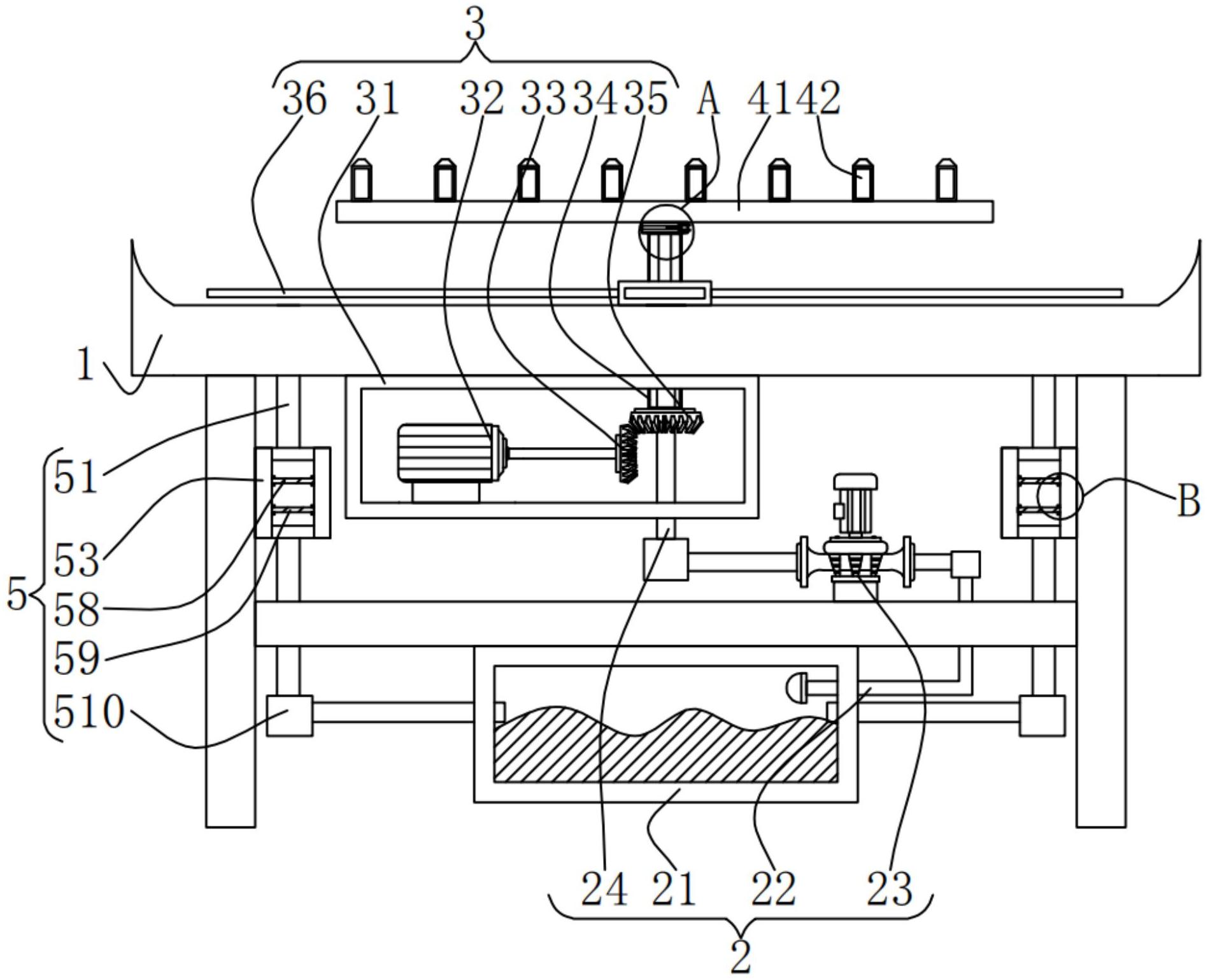
摘要
本实用新型提供一种具有循环功能的水景喷雾用过滤装置,包括架体;储水组件,所述储水组件的顶部固定连接于所述架体的底部;转动组件,所述转动组件的顶部固定连接于架体内壁的顶部。本实用新型提供的具有循环功能的水景喷雾用过滤装置具有储水组件的使用可以有效的将水源转化为雾气,达到景区内水景喷雾需要的效果,转动组件和更换组件的配合使用可以使装置水景喷雾有多种的呈现方法,提高了装置的多样性,且转动组件的转动架可以将架体上掉落的树叶等杂质推送至一旁,循环组件的使用可以将水源循环使用的同时也可以过滤循环流量中的杂质,提高了装置的实用性。


