授权公布号:CN218243547U
一种网关和工业设备
有效
申请
2022-09-19
申请公布
1970-01-01
授权
2023-01-06
预估到期
2032-09-19
| 申请号 | CN202222472498.4 |
| 申请日 | 2022-09-19 |
| 授权公布号 | CN218243547U |
| 授权公告日 | 2023-01-06 |
| 分类号 | H04L12/66;H04L12/40;H04L49/45 |
| 分类 | 电通信技术; |
| 申请人名称 | 中移物联网有限公司 |
| 申请人地址 | 重庆市南岸区玉马路8号 |
专利法律状态
2023-01-06
授权
状态信息
授权
摘要
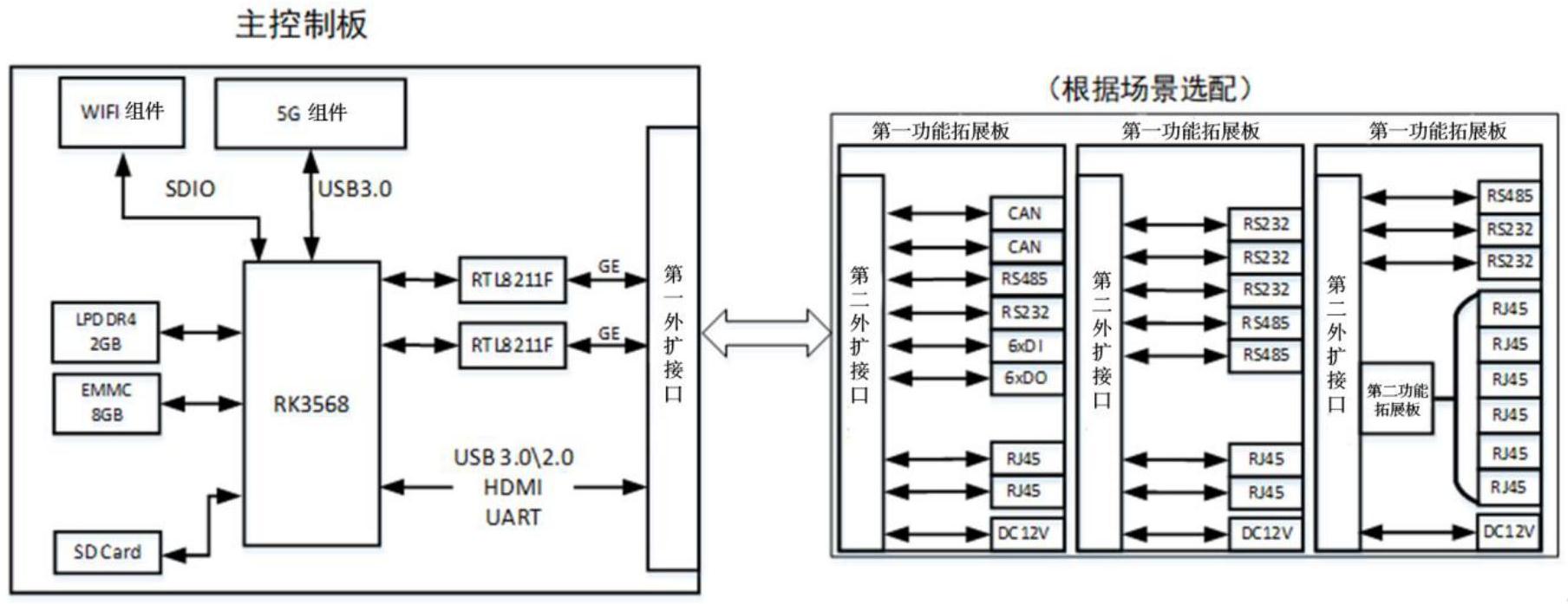
本实用新型提供一种网关和工业设备,涉及通讯网关技术领域,以解决现有技术中的工业网关的接口比较单一,且数量有限的问题。该网关包括主控制板和至少两个第一功能扩展板;所述主控制板包括至少两个第一外扩接口,所述至少两个第一功能扩展板与所述至少两个第一外扩接口一一对应,且所述第一功能扩展板通过所对应的所述第一外扩接口与所述主控制板电连接;所述至少两个第一功能扩展板分别用于提供与工业设备连接的接口,且所述至少两个第一功能扩展板中,不同的第一功能扩展板所提供的设备连接接口的接口类型不同。本实用新型的技术方案能够缓解相关技术中网关接口数量不足的问题,满足真实工业场景中对各种接口的使用需求。


