授权公布号:CN214154509U
一种用于配电网的载波信号阻隔模块
有效
申请
2021-01-04
申请公布
1970-01-01
授权
2021-09-07
预估到期
2031-01-04
| 申请号 | CN202120002346.0 |
| 申请日 | 2021-01-04 |
| 授权公布号 | CN214154509U |
| 授权公告日 | 2021-09-07 |
| 分类号 | H04B3/56 |
| 分类 | 电通信技术; |
| 申请人名称 | 四川达卡电气有限公司 |
| 申请人地址 | 四川省成都市双流区西南航空港工业集中发展区 |
专利法律状态
2021-09-07
授权
状态信息
授权
摘要
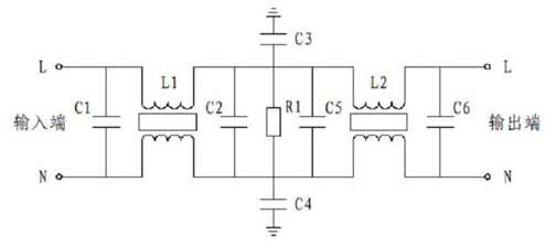
本实用新型公开了一种可用于配电网的载波信号阻隔模块,包括塑料外壳和设置于塑料外壳内的环氧树脂浇注体,所述环氧树脂浇注体内密封有模块电路板;所述塑料外包括外壳底板和固定于外壳底板上表面的外壳上盖;所述模块电路板的上表面设置有四个接线端子,每一个接线端子的一端均与模块电路板焊接,每一个接线端子的第二端均贯穿环氧树脂浇注体和外壳上盖并延伸到塑料外壳外;所述模块电路板上集成有载波信号阻隔电路。本实用新型通过电容、磁轭线圈、电阻等元件,对流经回路的电力载波通信信号进行滤波阻隔,保障设备间的数据安全。


