授权公布号:CN212693881U
低压开关柜功率信号相位差监测装置
有效
申请
2020-07-29
申请公布
1970-01-01
授权
2021-03-12
预估到期
2030-07-29
| 申请号 | CN202021523441.7 |
| 申请日 | 2020-07-29 |
| 授权公布号 | CN212693881U |
| 授权公告日 | 2021-03-12 |
| 分类号 | G01R25/00 |
| 分类 | 测量;测试; |
| 申请人名称 | 河南中州电气设备有限公司 |
| 申请人地址 | 河南省郑州市金水区金水路299号浦发国际金融中心B座1706室 |
专利法律状态
2021-03-12
授权
状态信息
授权
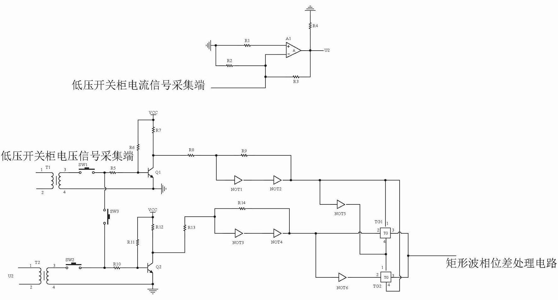
摘要
本实用新型公开了低压开关柜功率信号相位差监测装置,包括低压开关柜电压信号采集端、低压开关柜电流信号采集端、矩形波相位差处理电路,还包括第一波形转换通道、第二波形转换通道、信号控制电路、异或门;通过第一波形转换通道、第二波形转换通道提高波形采集转换过程的精度;信号控制电路利用开关SW1‑SW3接通、断开的不同组合,异或门输出三组频率翻倍的矩形波,矩形波相位差处理电路对矩形波进行处理,得到去除测量系统的固有误差的低压开关柜的同频率电压与电流之间的相位差;本实用新型通过提高波形采集转换过程的精度、去除测量系统的固有误差提高低压开关柜的同频率电压与电流之间的相位差的测量精度。


