授权公布号:CN211650983U
一种节能型荔枝烘干装置
有效
申请
2019-12-30
申请公布
1970-01-01
授权
2020-10-09
预估到期
2029-12-30
| 申请号 | CN201922443872.6 |
| 申请日 | 2019-12-30 |
| 授权公布号 | CN211650983U |
| 授权公告日 | 2020-10-09 |
| 分类号 | F26B9/06 |
| 分类 | 干燥; |
| 申请人名称 | 惠州市四季鲜绿色食品有限公司 |
| 申请人地址 | 广东省惠州市惠东县增光镇工业区南门 |
专利法律状态
2020-10-09
授权
状态信息
授权
摘要
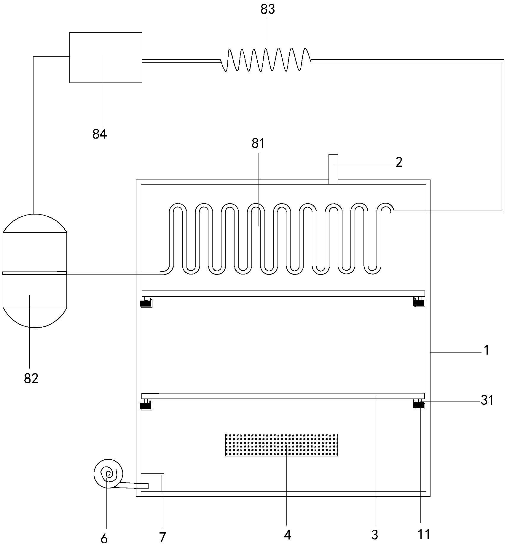
本实用新型提供一种节能型荔枝烘干装置,包括用于对荔枝烘干的炉体,所述炉体上方设置有排气孔,所述炉体内设置有荔枝的盛放盘,所述盛放盘的下方安装有加热丝,所述炉体的底部设置有进风口,在所述进风口的外侧处安装有鼓风机,所述进风口的内侧炉体内设置有粉尘过滤网,用于过滤掉灰尘,所述炉体内还设置有节能循环加热组件,所述节能循环加热组件和所述加热丝通过导线连接有供电装置,所述供电装置通过导线连接有电能转换装置,本实用新型提供具有工作效率高、使用方便等优点,本申请可以进行人工控制烘干温度,同时电能转换装置的加入使得荔枝的烘干过程避免了靠市电的供给,不但节约了成本,又实现了绿色环保的加工理念。


