授权公布号:CN218524650U
一种用于连续监测环境空气中非甲烷总烃+苯系物的装置
有效
申请
2022-10-11
申请公布
1970-01-01
授权
2023-02-24
预估到期
2032-10-11
| 申请号 | CN202222673075.9 |
| 申请日 | 2022-10-11 |
| 授权公布号 | CN218524650U |
| 授权公告日 | 2023-02-24 |
| 分类号 | G01N30/02;G01N30/06;G01N30/08;G01N30/12;G01N30/24;G01N30/46;G01N30/68 |
| 分类 | 测量;测试; |
| 申请人名称 | 中绿环保科技股份有限公司 |
| 申请人地址 | 山西省太原市转型综合改革示范区学府产业园发展路15号 |
专利法律状态
2023-02-24
授权
状态信息
授权
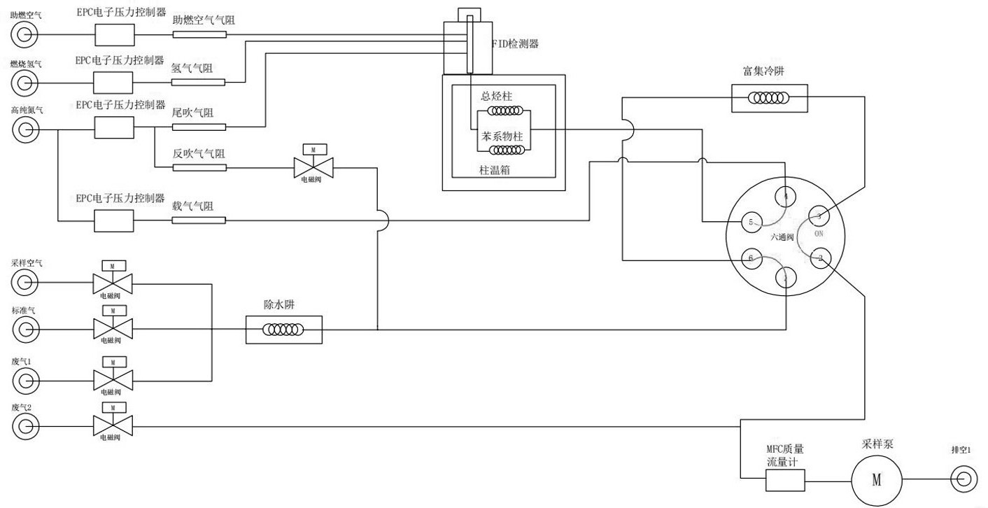
摘要
本实用新型提供了一种用于连续监测环境空气中非甲烷总烃+苯系物的装置,属于环境监测技术领域;解决了传统在线气相色谱系统存在测量环境空气样品的丢失导致检测结果不准确的问题;包括主控系统、标气通道、样气通道、三路工作气通道、两路废气通道、富集冷阱装置、除水阱装置、FID检测器、色谱柱箱、六通阀和MFC质量流量计、采样泵,通过各电子阀组通过顺序控制有序切换,实现冷阱浓缩、除水阱装置的循环工作,有效的提高了监测的快速性、准确性、真实性;本实用新型应用于环境监测。


