授权公布号:CN216842362U
一种离心空压机用叶轮在线清洗系统
有效
申请
2022-03-01
申请公布
1970-01-01
授权
2022-06-28
预估到期
2032-03-01
| 申请号 | CN202220440302.0 |
| 申请日 | 2022-03-01 |
| 授权公布号 | CN216842362U |
| 授权公告日 | 2022-06-28 |
| 分类号 | F04D29/28;F04D29/70;F04D17/10 |
| 分类 | 液体变容式机械;液体泵或弹性流体泵; |
| 申请人名称 | 钛灵特压缩机无锡有限公司 |
| 申请人地址 | 江苏省无锡市新吴区震泽路18-13无锡软件园二期-水瓶座-406 |
专利法律状态
2022-06-28
授权
状态信息
授权
摘要
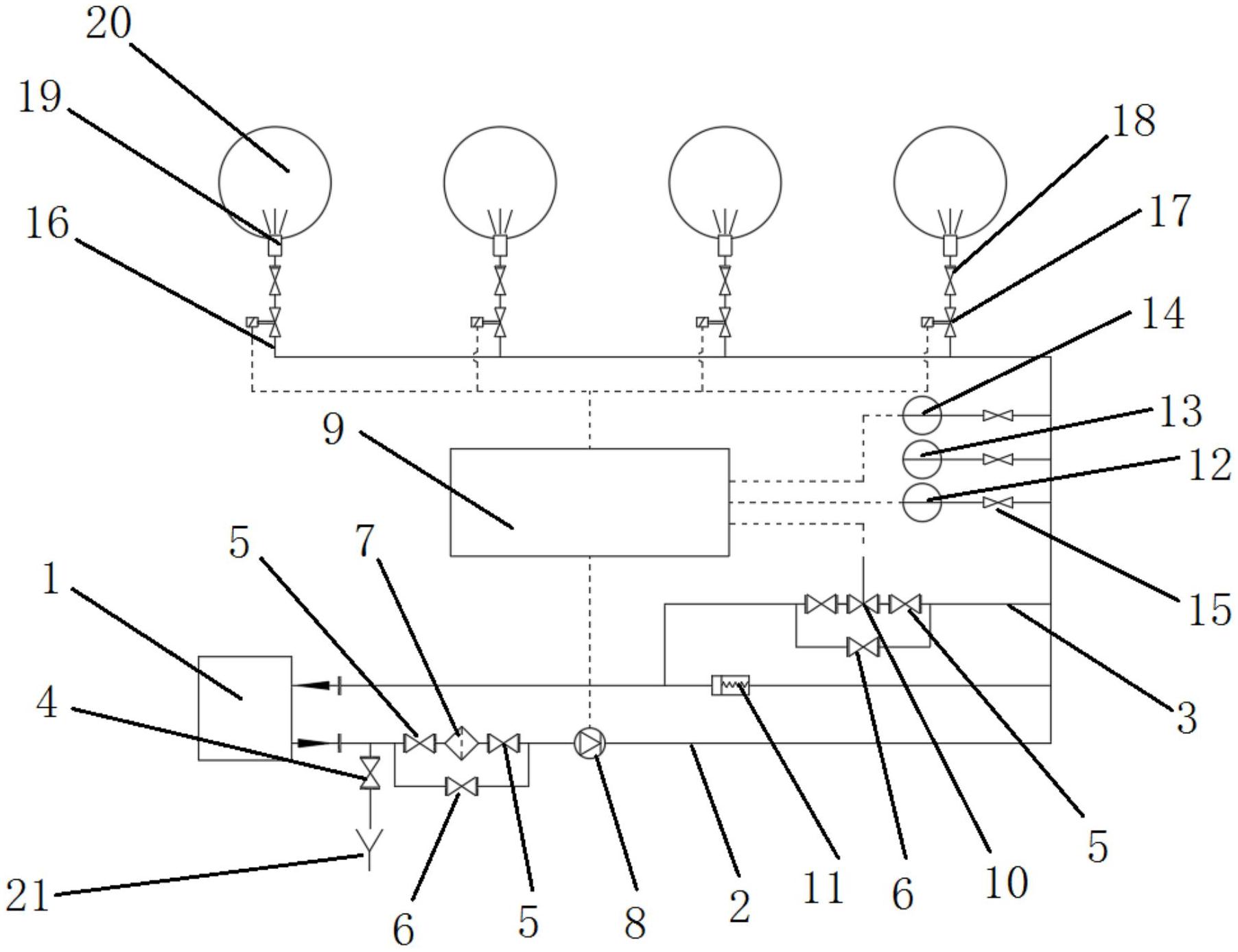
本实用新型涉及一种离心空压机用叶轮在线清洗系统,它包括:水箱、与所述水箱相连的主流道、与所述主流道相连且延伸至所述水箱内的回流道、连接在所述主流道上的水泵、与所述水泵电性相连的PLC控制器、连接在所述回流道上且与所述PLC控制器电性相连的电动调节阀、连接在所述主流道末端的辅流道、连接在所述副流道上且与所述PLC控制器电性相连的电磁阀、与所述电磁阀相连的止回阀、与所述止回阀相连的喷嘴以及连接在所述喷嘴上的叶轮进气管;本实用新型在机器运行过程中通过PLC控制器控制叶轮清洗系统自动清洗叶轮上的污垢,延长了离心空压机的运行寿命,可让机器保持良好的运行效率,不停机清洗也不会影响工作周期,不会影响施工效率。


