授权公布号:CN205590661U
用于微流控的气体汇流板
有效
申请
2016-03-23
申请公布
1970-01-01
授权
2016-09-21
预估到期
2026-03-23
| 申请号 | CN201620228861.X |
| 申请日 | 2016-03-23 |
| 授权公布号 | CN205590661U |
| 授权公告日 | 2016-09-21 |
| 分类号 | C12M1/00 |
| 分类 | 生物化学;啤酒;烈性酒;果汁酒;醋;微生物学;酶学;突变或遗传工程; |
| 申请人名称 | 上海小海龟科技有限公司 |
| 申请人地址 | 上海市宝山区江南路180号B303 |
专利法律状态
2016-09-21
授权
状态信息
授权
摘要
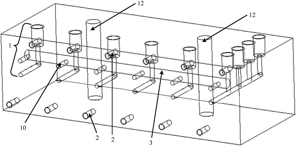
本实用新型涉及机械设备领域,公开了一种用于微流控的气体汇流板。该气体汇流板的内部设有若干个用于安装软管的安装结构、用于安装电磁阀的固定结构以及气体通道;安装结构包含用于与电磁阀相连接的导向管和用于与软管相连接的至少一个安装孔,安装孔与导向管相连通,其中,电磁阀用于控制导向管的导通与关闭;气体通道设有若干用于与电磁阀相连接的第一连接管,其中,导向管与第一连接管通过电磁阀连接。与现有技术相比,本实用新型可以通过气流的作用为基因测序仪提供所需要的试剂,可以节约人力物力,而且操作较为简单,调节较为方便。


