授权公布号:CN215483635U
一种热钢梁与剪力墙端柱连接结构
有效
申请
2021-02-25
申请公布
1970-01-01
授权
2022-01-11
预估到期
2031-02-25
| 申请号 | CN202120419643.5 |
| 申请日 | 2021-02-25 |
| 授权公布号 | CN215483635U |
| 授权公告日 | 2022-01-11 |
| 分类号 | E04B1/58;E04B1/24;E04B2/56 |
| 分类 | 建筑物; |
| 申请人名称 | 华新顿现代钢结构制造有限公司 |
| 申请人地址 | 湖北省仙桃市沙嘴办事处叶王路西侧8-1幢、8-2幢、8-3幢1-2层 |
专利法律状态
2022-01-11
授权
状态信息
授权
摘要
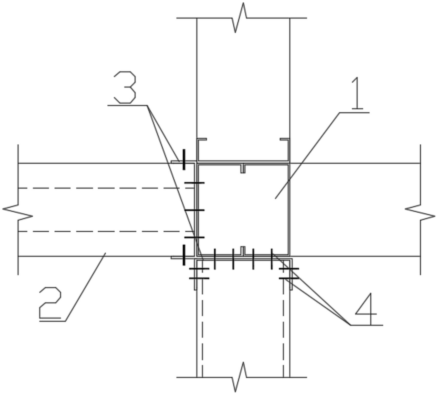
本实用新型提出了一种热钢梁与剪力墙端柱连接结构,包括纵向竖直安装的剪力墙端柱,以及剪力墙端柱侧壁安装的热钢梁,所述剪力墙端柱侧壁固定U型连接件的槽底面,且U型连接件的两侧翼呈左右竖直布置状态;所述热钢梁的一端插入U型连接件的U型槽口内固定安装。本实用新型通过模块化加工的热钢梁、C型型材、U型连接件等拼接组成剪力墙端柱与钢梁之间的结构,适用于随时随地在现场组装,其质量轻、结构牢固可靠。


