授权公布号:CN208530883U
一种油墨包装系统
有效
申请
2018-07-16
申请公布
1970-01-01
授权
2019-02-22
预估到期
2028-07-16
| 申请号 | CN201821126790.8 |
| 申请日 | 2018-07-16 |
| 授权公布号 | CN208530883U |
| 授权公告日 | 2019-02-22 |
| 分类号 | B65B1/32;B65B51/00;B65B57/00 |
| 分类 | 输送;包装;贮存;搬运薄的或细丝状材料; |
| 申请人名称 | 广州市帝天印刷材料有限公司 |
| 申请人地址 | 广东省广州市白云区矮岗村第三工业区自编4号之二 |
专利法律状态
2019-02-22
授权
状态信息
授权
摘要
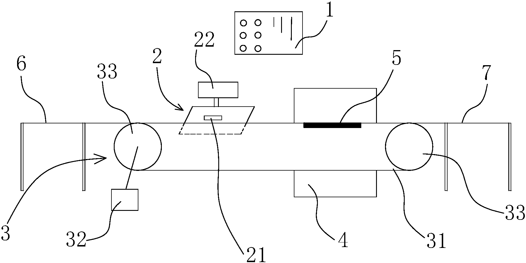
本实用新型提供了一种油墨包装系统,其包括控制器,称重装置、输送装置和封箱机,所述输送装置包括传送带,所述传送带上设有称重段和封箱段,所述称重装置安装于所述称重段上,所述封箱机安装于所述封箱段,所述称重装置和所述封箱机通过所述传送带依次连接成为一条生产线,所述称重装置、所述封箱机和所述输送装置分别与所述控制器电连接。该油墨包装系统的结构简单,能够进行自动称重以保证油墨的质量,防止不满箱或者不足称的油墨流入市场,避免造成不良影响。


