授权公布号:CN206844811U
一种移动式护栏
失效
申请
2017-06-05
申请公布
1970-01-01
授权
2018-01-05
预估到期
2027-06-05
| 申请号 | CN201720640842.2 |
| 申请日 | 2017-06-05 |
| 授权公布号 | CN206844811U |
| 授权公告日 | 2018-01-05 |
| 分类号 | E04H17/14 |
| 分类 | 建筑物; |
| 申请人名称 | 常州美城交通设施有限公司 |
| 申请人地址 | 江苏省常州市新北区薛家镇吕墅东路58-68号 |
专利法律状态
2023-06-16
专利权的终止
状态信息
未缴年费专利权终止;IPC(主分类):E04H17/14;申请日:20170605;授权公告日:20180105
2018-01-05
授权
状态信息
授权
摘要
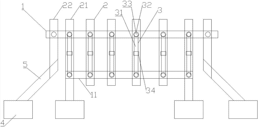
本实用新型提供一种移动式护栏,属于护栏技术领域,包括第一横杆、平行设于第一横杆下方的第二横杆以及相互平行的若干第一竖杆、若干第二竖杆、若干第三竖杆以及扣接装置;第一横杆与第二横杆分别套接第一竖杆、第二竖杆和第三竖杆,第一横杆、第二横杆、第一竖杆、第二竖杆和第三竖杆侧面分别设有若干相互匹配的螺孔;扣接装置固定于第一竖杆和第二竖杆侧面。本实用新型具有结构简单、使用方便、灵活性强、稳定性强的优点。


