授权公布号:CN204681249U
基于三端可调分流基准源的多电压输出电路
有效
申请
2015-06-17
申请公布
1970-01-01
授权
2015-09-30
预估到期
2025-06-17
| 申请号 | CN201520420401.2 |
| 申请日 | 2015-06-17 |
| 授权公布号 | CN204681249U |
| 授权公告日 | 2015-09-30 |
| 分类号 | H02M3/10 |
| 分类 | 发电、变电或配电; |
| 申请人名称 | 深圳市科姆龙电气技术有限公司 |
| 申请人地址 | 广东省深圳市福田区泰然工业区210栋二楼D座 |
专利法律状态
2015-09-30
授权
状态信息
授权
摘要
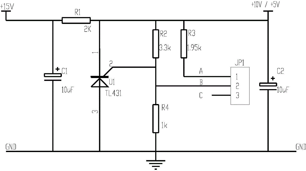
本实用新型涉及一种基于三端可调分流基准源的多电压输出电路,包括:三端可调分流基准源、分压电路、分流电路,以及设置于所述分流电路上的选通开关;所述三端可调分流基准源的输入端接到工作电压端,输出端接到所述分压电路进行分压输出;所述分压电路上并联有所述分流电路。这样,工作电压通过三端可调分流基准源进行稳压处理,并经分压电路分压得到输出电压,而分流电路的选通设置,可得到不同的输出电压,从而在低成本、高控制精度要求下实现所需电压输出。


