授权公布号:CN215027562U
一种垃圾焚烧烟气的综合处理系统
有效
申请
2021-04-28
申请公布
1970-01-01
授权
2021-12-07
预估到期
2031-04-28
| 申请号 | CN202120895547.8 |
| 申请日 | 2021-04-28 |
| 授权公布号 | CN215027562U |
| 授权公告日 | 2021-12-07 |
| 分类号 | B01D53/75;B01D53/79;B01D53/83;B01D53/60;B01D53/56;B01D53/50;B01D53/70;B01D53/64;B01D53/68;B01D50/00;B01D46/02;B01D45/16 |
| 分类 | 一般的物理或化学的方法或装置; |
| 申请人名称 | 杭州绿能环保发电有限公司 |
| 申请人地址 | 浙江省杭州市滨江区浦沿街道山二村风紫墩68号 |
专利法律状态
2021-12-07
授权
状态信息
授权
摘要
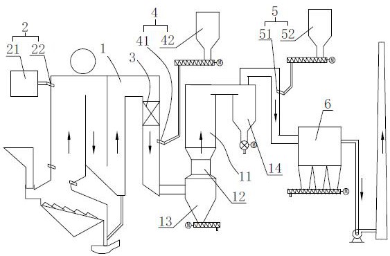
本实用新型涉及垃圾处理领域,具体公开了一种垃圾焚烧烟气的综合处理系统。该综合处理系统包括输烟通道、SNCR还原剂投放模块、碳酸氢钠投放模块、除臭组件和后处理模块;所述的SNCR还原剂投放模块、碳酸氢钠投放模块及活性炭投放模块在沿烟气流通方向上依次与输烟通道连通,所述的后处理模块在沿烟气流通方向上位于活性炭投放模块之后。以上所述的的综合处理系统可以对烟气中的主要有害物质进行综合处理,减少对环境的污染。


