授权公布号:CN217191605U
一种餐厨垃圾沥水提油加热装置
有效
申请
2022-04-13
申请公布
1970-01-01
授权
2022-08-16
预估到期
2032-04-13
| 申请号 | CN202220851616.X |
| 申请日 | 2022-04-13 |
| 授权公布号 | CN217191605U |
| 授权公告日 | 2022-08-16 |
| 分类号 | B09B3/80;B09B3/40;B09B3/38;B04B5/10;B09B101/02N;B09B101/70N |
| 分类 | 固体废物的处理;被污染土壤的再生〔3,6〕; |
| 申请人名称 | 北京京城环保股份有限公司 |
| 申请人地址 | 北京市海淀区北三环西路25号27号楼二层2001室 |
专利法律状态
2022-08-16
授权
状态信息
授权
摘要
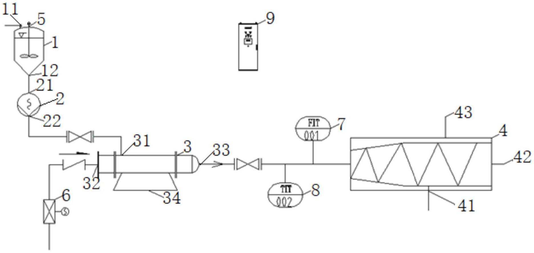
本实用新型公开了一种餐厨垃圾沥水提油加热装置,包括:加热器包括物料进口、蒸汽进口和物料出口;物料进口通过沥水输送泵与沥水储存罐连通,蒸汽进口通过蒸汽调节阀与高温蒸汽管路连通,物料出口与三相离心机连通;温度传感器设于物料出口与三相离心机之间的管路上;控制柜,其分别与沥水输送泵、蒸汽调节阀和温度传感器信号连接。本实用新型的有益效果为:通过高压蒸汽与垃圾沥水直接接触的方式对输送中的垃圾沥水进行连续加热,提高了垃圾沥水的加热速度,蒸汽消耗量少,提高了提油效率且降低了垃圾沥水的加热成本;独立的控制柜根据加热器出口的温度,对进入加热器的物料和蒸汽量进行实时调控,能够精准控制进入三相离心机的物料温度和流量。


