授权公布号:CN216946903U
一种双温脱臭、国标零反式脂肪酸食用油精炼装置
有效
申请
2021-12-14
申请公布
1970-01-01
授权
2022-07-12
预估到期
2031-12-14
| 申请号 | CN202123132899.7 |
| 申请日 | 2021-12-14 |
| 授权公布号 | CN216946903U |
| 授权公告日 | 2022-07-12 |
| 分类号 | C11B3/00;C11B3/12;C11B3/14 |
| 分类 | 动物或植物油、脂、脂肪物质或蜡;由此制取的脂肪酸;洗涤剂;蜡烛; |
| 申请人名称 | 郑州远洋油脂工程技术有限公司 |
| 申请人地址 | 河南省郑州市金水区农业路72号国际企业中心B座2604室 |
专利法律状态
2022-07-12
授权
状态信息
授权
摘要
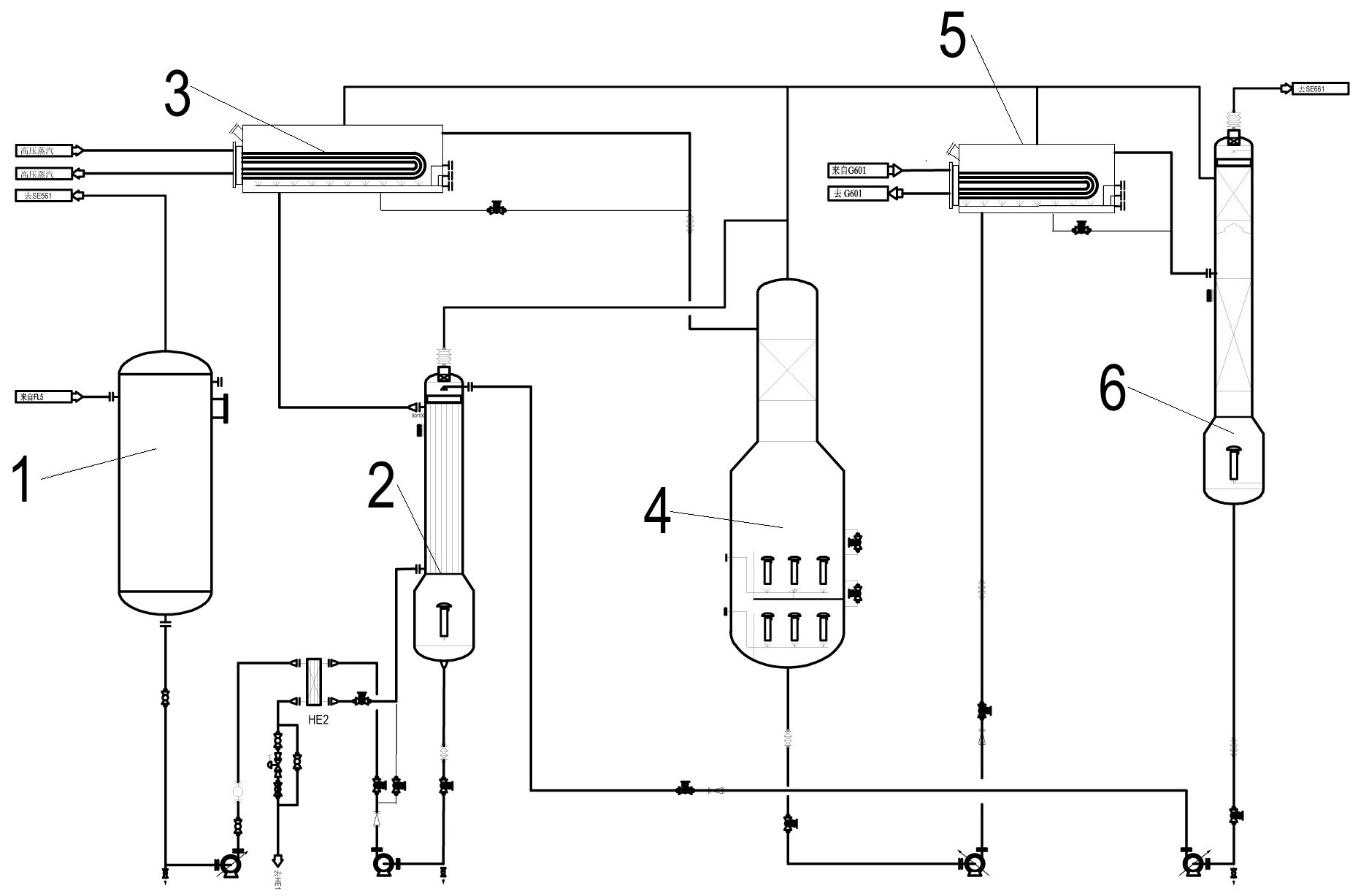
本实用新型属于植物油脱臭技术领域,具体公开一种双温脱臭、国标零反式脂肪酸食用油精炼装置,包括待脱臭植物油储罐,与待脱臭植物油储罐底部管道相连的高压泵,高压泵出口管道与油‑油换热器相连通,所述油‑油换热器顶部出口通过输送管道送入第一高温蒸汽加热器,第一高温蒸汽加热器将植物油加热以后送入脱臭塔脱臭,从脱臭塔出来的油经泵送往第二高温蒸汽加热器以后送入脱酸塔脱酸脱臭,脱酸塔出口的精炼油经泵送往油‑油换热器充当加热热源进行热交换,本实用新型具有结构和工艺合理,低温脱臭延时脱色,高温瞬时脱酸,达到国标零反脂肪酸精炼新工艺。


