授权公布号:CN217961927U
一种高浓度二氯甲烷吸附回收装置
有效
申请
2021-12-01
申请公布
1970-01-01
授权
2022-12-06
预估到期
2031-12-01
| 申请号 | CN202122990256.X |
| 申请日 | 2021-12-01 |
| 授权公布号 | CN217961927U |
| 授权公告日 | 2022-12-06 |
| 分类号 | B01D53/02;B01D53/26;F28D21/00 |
| 分类 | 一般的物理或化学的方法或装置; |
| 申请人名称 | 武汉旭日华环保科技股份有限公司 |
| 申请人地址 | 湖北省武汉市汉口解放大道1007号兴隆大厦11楼 |
专利法律状态
2022-12-06
授权
状态信息
授权
摘要
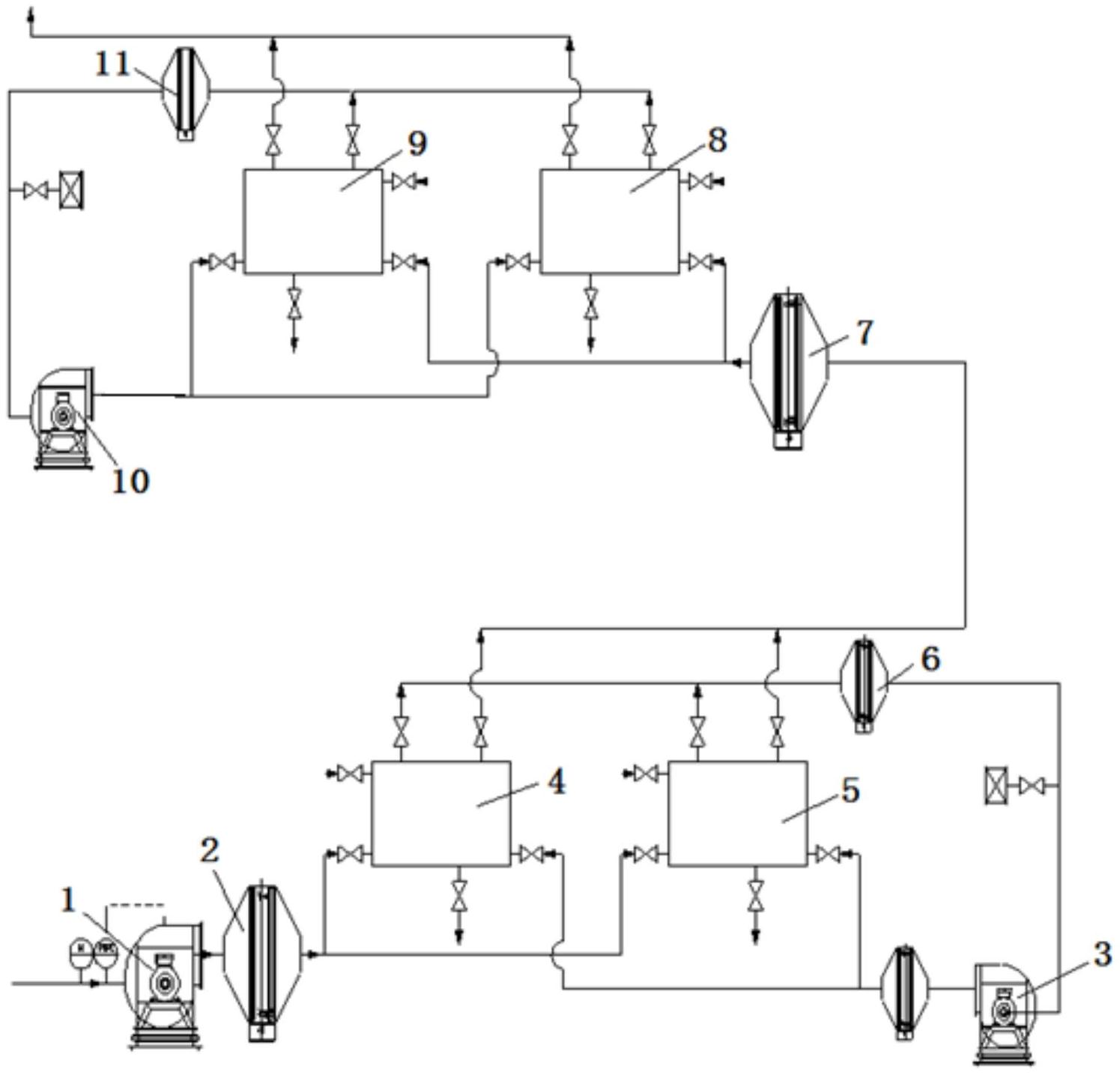
本实用新型涉及一种高浓度二氯甲烷吸附回收装置,具体地说是一种高浓度二氯甲烷吸附回收装置。它包括一级吸附装置和二级吸附装置,其特征在于:所述的一级吸附装置包括至少两台吸附器,分别为第一吸附器(4)和第二吸附器(5),第一吸附器(4)和第二吸附器(5)的进口与尾气管连接,第一吸附器(4)和第二吸附器(5)的排气口与二级吸附装置的换热器(7)的进口连接;它解决了现有装置维护费用高,且达标排放不稳定的问题。


