授权公布号:CN219068088U
一种步进电机运行自限位电路
有效
申请
2022-07-18
申请公布
1970-01-01
授权
2023-05-23
预估到期
2032-07-18
| 申请号 | CN202221852630.8 |
| 申请日 | 2022-07-18 |
| 授权公布号 | CN219068088U |
| 授权公告日 | 2023-05-23 |
| 分类号 | H02P8/04;H02P8/24 |
| 分类 | 发电、变电或配电; |
| 申请人名称 | 广州市禹成消防科技有限公司 |
| 申请人地址 | 广东省广州市番禺区南村镇里仁洞冼庄平安二路1号5号厂房北二楼 |
专利法律状态
2023-05-23
授权
状态信息
授权
摘要
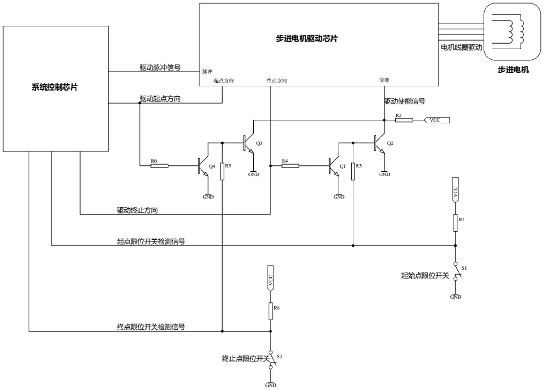
本实用新型提供一种步进电机运行自限位电路,包括系统控制芯片和步进电机驱动芯片,系统控制芯片通过电信号与所述步进电机驱动芯片连接,步进电机驱动芯片用于驱动步进电机运动;系统控制芯片用于检测终点限位开关信号和起点限位开关信号,并向驱动芯片提供驱动起点方向信号,驱动终点方向信号和驱动脉冲信号;所述驱动芯片的使能信号为高电平时驱动电机,使能信号为低电平时停止驱动电机。本实用新型通过系统控制芯片检测起始点限位开关和终止点限位开关信号从而控制驱动芯片的驱动信号控制步进电机的运动和停止,解决了因限位开关断线或控制软件失效造成的限位检测失败,导致步进电机超出指定运行轨迹造成损失的问题,提高了产品的可靠性。


