授权公布号:CN214161131U
薄壁不锈钢管件上部成型模具
有效
申请
2020-12-24
申请公布
1970-01-01
授权
2021-09-10
预估到期
2030-12-24
| 申请号 | CN202023142687.2 |
| 申请日 | 2020-12-24 |
| 授权公布号 | CN214161131U |
| 授权公告日 | 2021-09-10 |
| 分类号 | B21D37/10;B21D41/02 |
| 分类 | 基本上无切削的金属机械加工;金属冲压; |
| 申请人名称 | 四川长鑫管业有限公司 |
| 申请人地址 | 四川省乐山市沙湾区嘉农镇燎原村4组 |
专利法律状态
2021-09-10
授权
状态信息
授权
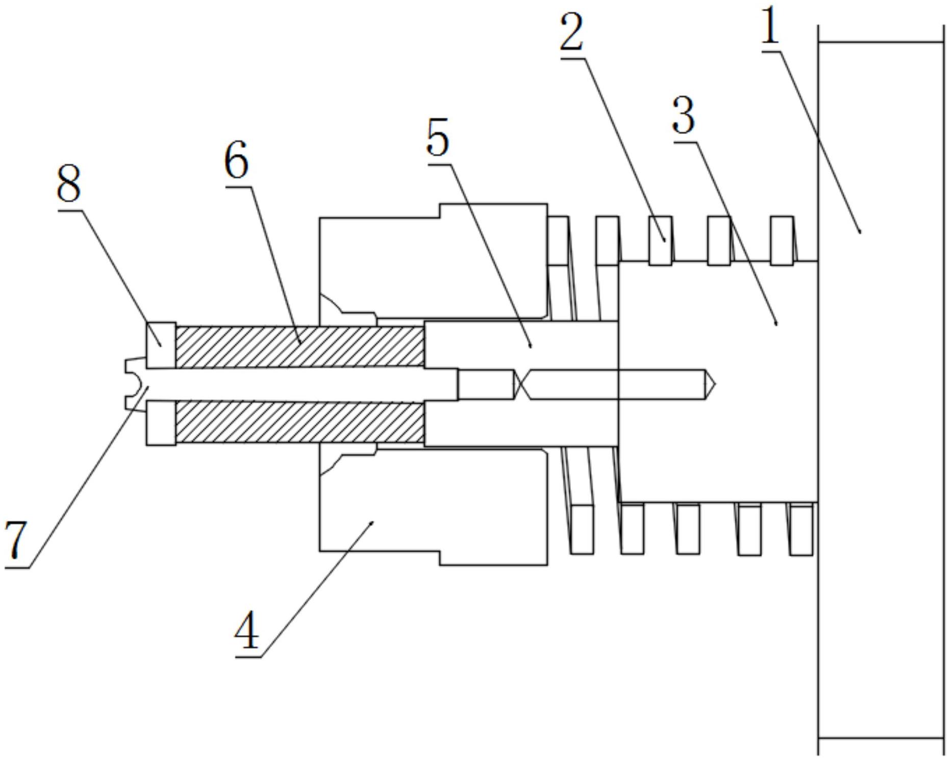
摘要
本实用新型公开了薄壁不锈钢管件上部成型模具,上模板、弹簧、上模座、上模型、上模芯、聚氨酯弹性体,所述上模板一侧端面上安装有上模座,弹簧设置在上模座外侧,弹簧一端与上模板连接,所述弹簧轴线与上模座轴线重合,上模座远离上模板一侧端面与上模芯连接,所述上模型中部设置有通孔,通过通孔将上模芯套装在内,上模型一侧与弹簧连接,聚氨酯弹性体设置在上模型的通孔内,与上模芯远离上模座一侧连接。薄壁不锈钢管件成型技术大致经历了以下3个发展阶段:硬模成型阶段,此为不锈钢管件早期成型技术。胶涨成型阶段,通过内部添加弹性胶体,外部施压,同步进行扩管、凸环等成型操作,此成型方案许多不锈钢管件企业都有应用。水涨成型阶段。


