授权公布号:CN216584146U
一种快干型水性滤清器胶黏剂灌装设备
有效
申请
2021-09-13
申请公布
1970-01-01
授权
2022-05-24
预估到期
2031-09-13
| 申请号 | CN202122207062.8 |
| 申请日 | 2021-09-13 |
| 授权公布号 | CN216584146U |
| 授权公告日 | 2022-05-24 |
| 分类号 | B67C3/26;B67C3/22 |
| 分类 | 开启或封闭瓶子、罐或类似的容器;液体的贮运; |
| 申请人名称 | 新乡市华洋粘合剂有限公司 |
| 申请人地址 | 河南省新乡市新乡县小冀镇张徐线东段 |
专利法律状态
2022-05-24
授权
状态信息
授权
摘要
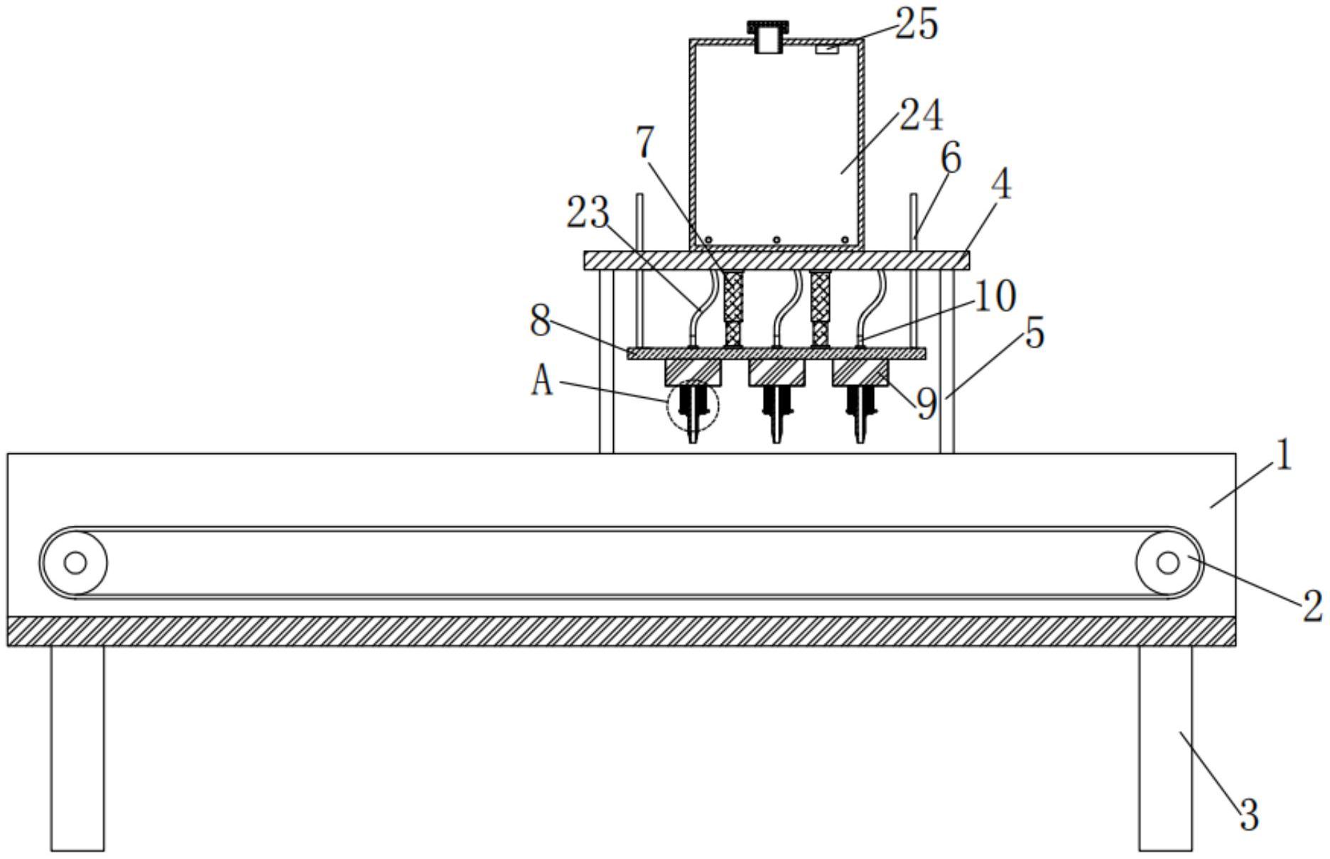
本实用新型涉及胶黏剂生产技术领域,具体涉及一种快干型水性滤清器胶黏剂灌装设备,包括输送座,所述输送座的顶部固定安装有输送机,所述输送座的底部四角均固定连接有支撑立柱,所述输送座的上方设有顶板。本实用新型克服了现有技术的不足,通过通过设置气缸、橡胶密封圈和弹簧的设置,使得气缸启动工作时带动安装板和灌装管向下运动,从而使灌装管贯穿灌装瓶瓶口插入灌装瓶内部,待橡胶密封圈运动至与灌装瓶瓶口接触后,气缸带动灌装管和固定环继续向下运动,使得弹簧被压缩,从而使橡胶密封圈在弹簧的弹性作用下将灌装瓶的瓶口密封,防止灌装瓶在灌装过程中瓶口敞开,使得胶黏剂容易被风干失效。


