授权公布号:CN209553677U
一种铝塑铝压板包装机用的节能冷却水循环装置
有效
申请
2018-11-30
申请公布
1970-01-01
授权
2019-10-29
预估到期
2028-11-30
| 申请号 | CN201822007774.3 |
| 申请日 | 2018-11-30 |
| 授权公布号 | CN209553677U |
| 授权公告日 | 2019-10-29 |
| 分类号 | B65B51/32 |
| 分类 | 输送;包装;贮存;搬运薄的或细丝状材料; |
| 申请人名称 | 纽斯葆广赛(广东)生物科技股份有限公司 |
| 申请人地址 | 广东省广州市从化区明珠工业园兴业路1号 |
专利法律状态
2019-10-29
授权
状态信息
授权
摘要
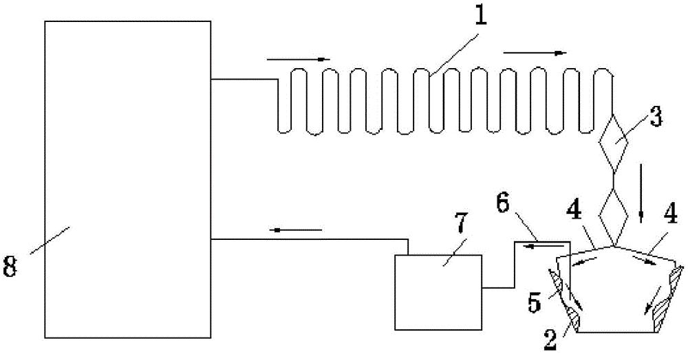
本实用新型涉及冷却水循环设备技术领域,具体涉及一种铝塑铝压板包装机用的节能冷却水循环装置,其结构包括与铝塑铝压板包装机连接的出水管、与出水管的输出端连通的水槽,出水管弯曲为一根连续的盘管,出水管的中部接有一个双棱椎腔体,出水管通过双棱椎腔体与水槽连通,出水管的输出端分为两个支路,该两个支路中的水流沿水槽的内侧壁流至水槽,水槽连接有抽水管,抽水管将水槽内的水抽至制冷机,制冷机将水体冷却到一定温度并将冷却水供给铝塑铝压板包装机以进行冷却,吸热后的冷却水回流至出水管,该冷却水循环装置冷却效果好、占地面积小且具有节能的优点。


