授权公布号:CN213063330U
双重防脱的挂钩式开启窗结构
有效
申请
2020-04-13
申请公布
1970-01-01
授权
2021-04-27
预估到期
2030-04-13
| 申请号 | CN202020539268.3 |
| 申请日 | 2020-04-13 |
| 授权公布号 | CN213063330U |
| 授权公告日 | 2021-04-27 |
| 分类号 | E06B3/38;E05D15/00;E05F7/06;E05F5/06 |
| 分类 | 一般门、窗、百叶窗或卷辊遮帘;梯子; |
| 申请人名称 | 深圳广田方特科建集团有限公司 |
| 申请人地址 | 广东省深圳市宝安区石岩街道罗租社区黄峰岭工业区方大2栋二层、三层 |
专利法律状态
2021-04-27
授权
状态信息
授权
摘要
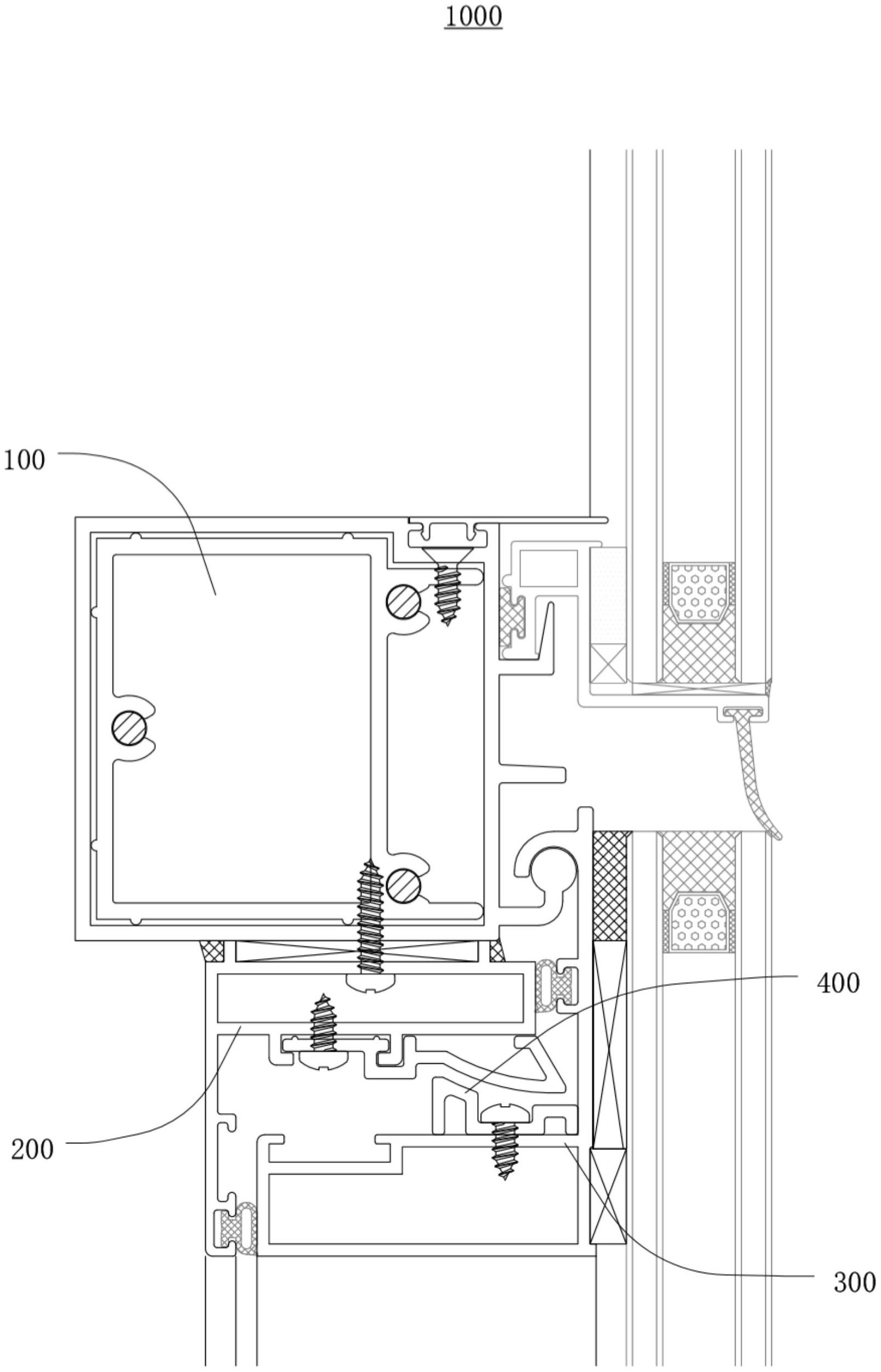
本实用新型公开一种双重防脱的挂钩式开启窗结构,包括窗户横梁、窗框结构、窗扇结构和防脱结构;所述窗框结构可拆卸地安装于所述窗户横梁的底面,所述窗扇结构转动安装于所述窗户横梁的侧面、且对应于所述窗框结构设置,所述防脱结构包括安装于所述窗框结构上的第一防脱件以及安装于所述窗扇结构上的第二防脱件,所述第二防脱件与所述第一防脱件对应配合,所述第一防脱件和所述第二防脱件用于防止所述窗扇结构脱出。本实用新型旨在解决现有技术中,窗户外界风力过大时,限位撑挡无法固定定位挂钩式开启窗,此时挂钩式开启窗可能从窗框脱落造成安全事故的问题。


