授权公布号:CN215723009U
一种车灯内部多功能保护壳
有效
申请
2021-09-17
申请公布
1970-01-01
授权
2022-02-01
预估到期
2031-09-17
| 申请号 | CN202122259155.5 |
| 申请日 | 2021-09-17 |
| 授权公布号 | CN215723009U |
| 授权公告日 | 2022-02-01 |
| 分类号 | F21S45/10;F21V15/01;F21V23/00;F21V23/06;F21V17/12 |
| 分类 | 照明; |
| 申请人名称 | 锦祥照明系统(大连)有限公司 |
| 申请人地址 | 辽宁省大连市经济技术开发区铁山东三路51号 |
专利法律状态
2022-02-01
授权
状态信息
授权
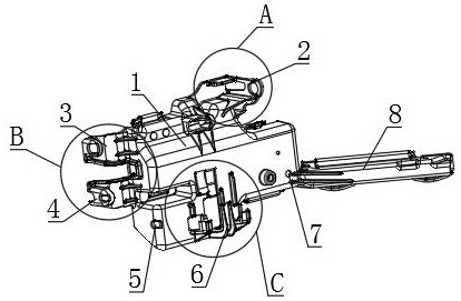
摘要
本实用新型公开了一种车灯内部多功能保护壳,涉及车灯内部保护性结构技术领域,包括壳体,壳体的上端设有第一支腿,壳体的左侧设有第二支腿和第三支腿,壳体的右侧设有电缆导管,壳体的下端设有连接器支架,第一支腿、第二支腿和第三支腿上分别依次设有第一导向孔、第二导向孔和第三导向孔。本实用新型设计一个壳体具有多种固定结构,将车灯对车灯内部的HCM(模组控制器),线束,连接器进行整合,空间利用率提高,并且安装步骤简单,利用一个螺丝即可固定,利用多个支腿卡固,稳固性效果好,在车灯组装的时候安装效率非常高。


