授权公布号:CN213757768U
敞开式出水变温的饮水设备
有效
申请
2020-09-18
申请公布
1970-01-01
授权
2021-07-23
预估到期
2030-09-18
| 申请号 | CN202022055025.5 |
| 申请日 | 2020-09-18 |
| 授权公布号 | CN213757768U |
| 授权公告日 | 2021-07-23 |
| 分类号 | A47J31/00;A47J31/46;A47J31/56 |
| 分类 | 家具;家庭用的物品或设备;咖啡磨;香料磨;一般吸尘器; |
| 申请人名称 | 青岛吉之美商用设备有限公司 |
| 申请人地址 | 山东省青岛市城阳区流亭街道空港产业聚集区 |
专利法律状态
2021-07-23
授权
状态信息
授权
摘要
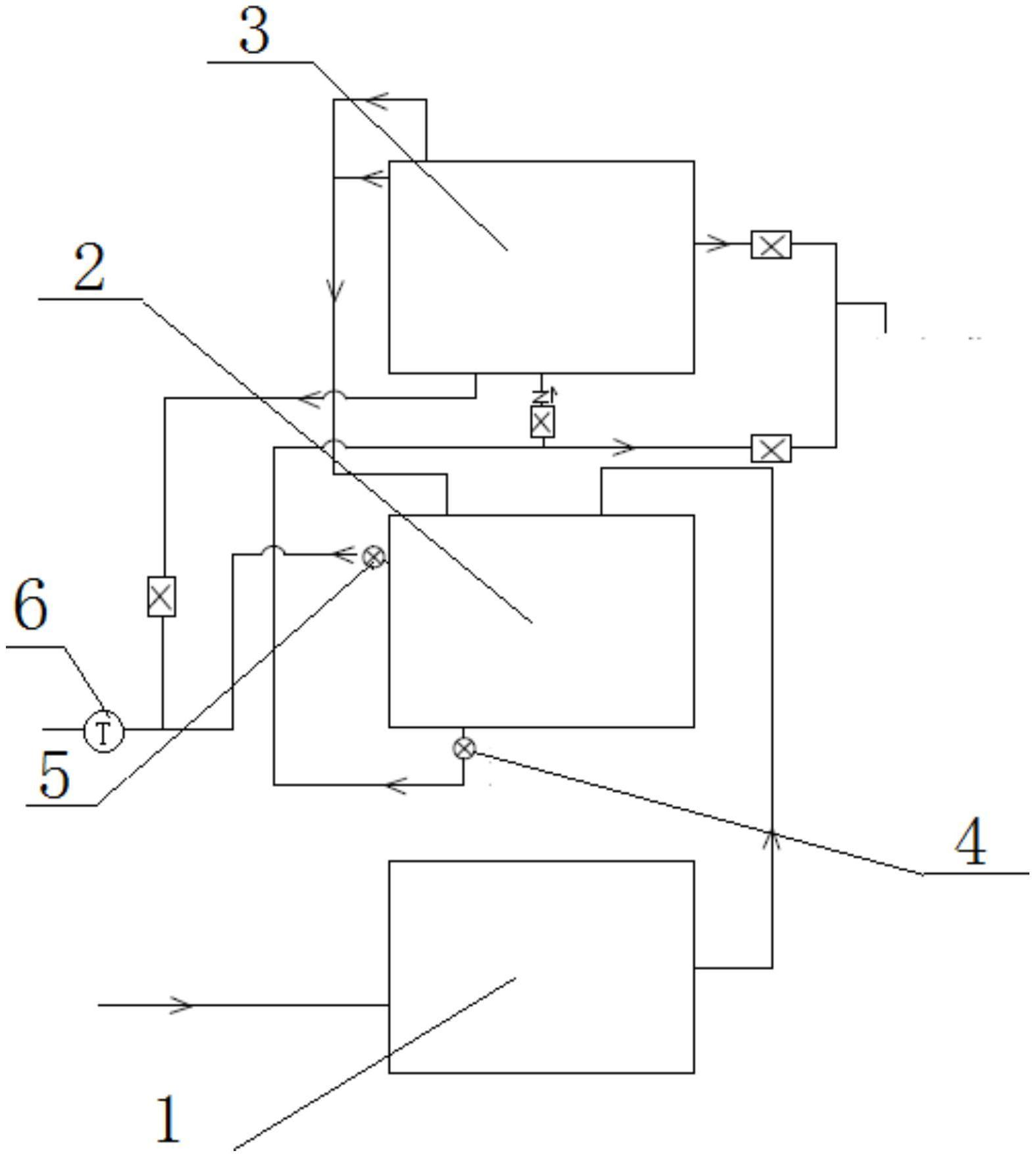
本实用新型涉及一种敞开式出水变温的饮水设备,属于饮水机温度控制技术领域。本实用新型包括净水器、温水箱、热水箱,净水器的出水端与温水箱的进水端相连,温水箱通过位于其下方的抽水泵与热水箱相连,还包括流量调节器、温度传感器和控制器,流量调节器位于温水箱的上部,温度传感器位于出水口处;控制器根据用户选择的初始水温控制流量调节器的初始流量位置,流量调节器抽取温水箱的温水与热水箱的恒定的热水混合,温度传感器将检测到混合水温度反馈到控制器,控制器通过PWM控制流量调节器的流量位置;通过温度传感器和控制器提高出水温度的精准控制;增加流量调节器提高无极变温控制的寿命。


