授权公布号:CN210871082U
多重杀菌的防喷蒸汽温开饮水设备
有效
申请
2019-08-27
申请公布
1970-01-01
授权
2020-06-30
预估到期
2029-08-27
| 申请号 | CN201921401852.6 |
| 申请日 | 2019-08-27 |
| 授权公布号 | CN210871082U |
| 授权公告日 | 2020-06-30 |
| 分类号 | A47J31/00 |
| 分类 | 家具;家庭用的物品或设备;咖啡磨;香料磨;一般吸尘器; |
| 申请人名称 | 青岛吉之美商用设备有限公司 |
| 申请人地址 | 山东省青岛市城阳区流亭街道空港产业聚集区 |
专利法律状态
2020-06-30
授权
状态信息
授权
摘要
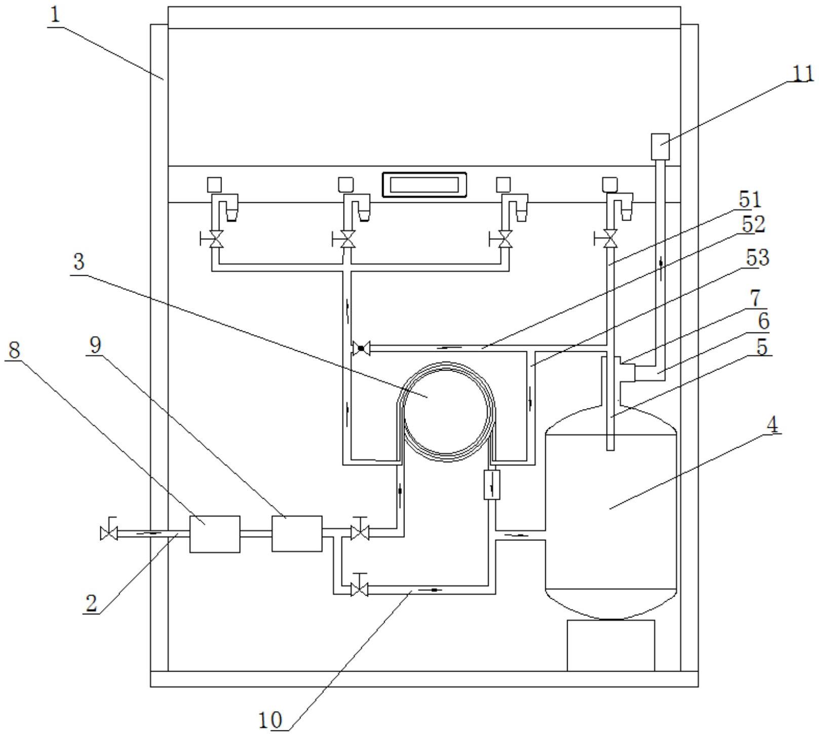
本实用新型属于饮水设备技术领域,公开了一种多重杀菌的防喷蒸汽温开饮水设备,其包括箱体和设置于箱体内的进水管、换热器、内胆和出水管;还包括出气管;所述出气管与内胆连接;出水管位于内胆的液面以下,出气管位于内胆的液面以上。本实用新型提出了一种多重杀菌的防喷蒸汽温开饮水设备,能够有效保证用户在饮水设备使用过程中的安全,避免饮水设备由于在加热过程中产生的蒸汽不能完全排掉,水汽不分离等情况造成用户烫伤。


