授权公布号:CN109538550B
一种节能的快速废钢剪液压回路系统
有效
申请
2018-12-27
申请公布
2019-03-29
授权
2023-10-20
预估到期
2038-12-27
| 申请号 | CN201811609489.7 |
| 申请日 | 2018-12-27 |
| 申请公布号 | CN109538550A |
| 申请公布日 | 2019-03-29 |
| 授权公布号 | CN109538550B |
| 授权公告日 | 2023-10-20 |
| 分类号 | F15B11/16;F15B13/06;B23D33/00 |
| 分类 | 流体压力执行机构;一般液压技术和气动技术; |
| 申请人名称 | 江苏华宏科技股份有限公司 |
| 申请人地址 | 江苏省无锡市江阴市周庄镇澄杨路1118号 |
专利法律状态
2023-10-20
授权
状态信息
授权
2019-04-23
实质审查的生效
状态信息
实质审查的生效;IPC(主分类):F15B11/16;申请日:20181227
2019-03-29
公布
状态信息
公布
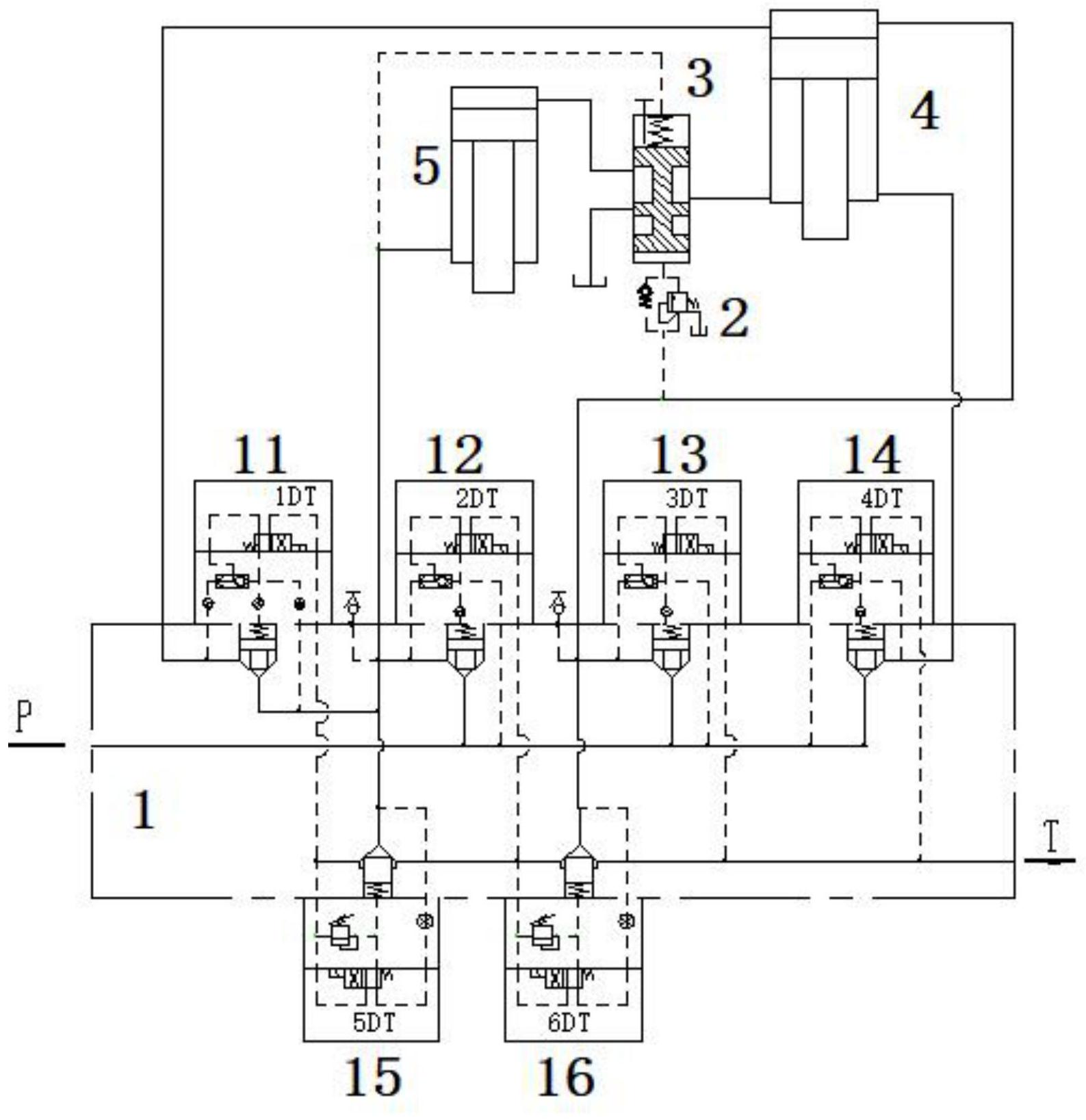
摘要
本发明提供一种节能的快速废钢剪液压回路系统,包括油泵、油箱、剪切缸以及压料缸,压料缸的无杆腔与剪切缸的有杆腔之间安装有换向阀;换向阀的阀芯在下位时剪切缸有杆腔和压料缸无杆腔之间的连通;换向阀的阀芯在上位时阻断剪切缸有杆腔和压料缸无杆腔之间的连通,封闭压料缸的无杆腔,剪切缸有杆腔与油箱连通;压料缸的有杆腔和油泵、油箱两者之间各安装有二通开关阀;压料缸的有杆腔和剪切缸的无杆腔之间安装有二通开关阀;剪切缸有杆腔和油泵之间安装有二通开关阀;剪切缸的无杆腔和油泵、油箱两者之间各安装有二通开关阀。本专利通过优化液压回路,进而实现压料缸与剪切缸之间的联动。


