授权公布号:CN217767215U
一种剃须刀控制电路板
有效
申请
2021-09-19
申请公布
1970-01-01
授权
2022-11-08
预估到期
2031-09-19
| 申请号 | CN202122275680.6 |
| 申请日 | 2021-09-19 |
| 授权公布号 | CN217767215U |
| 授权公告日 | 2022-11-08 |
| 分类号 | G05B19/042 |
| 分类 | 控制;调节; |
| 申请人名称 | 浙江超虎智能科技有限公司 |
| 申请人地址 | 浙江省金华市永康市经济开发区九州西路387号(超人集团有限公司内办公楼三楼) |
专利法律状态
2022-11-08
授权
状态信息
授权
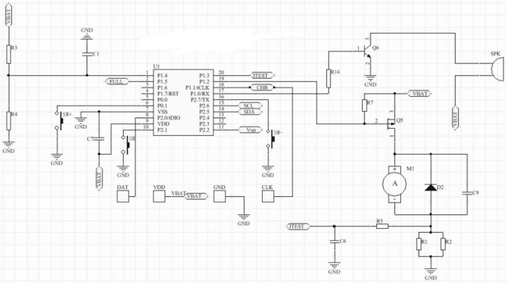
摘要
本实用新型公开了一种剃须刀控制电路板,属于电子技术领域;所述的电路板具体包括控制电路、电压检测电路、马达驱动电路、电流检测电路、同步升压电路、蜂鸣器报警电路、LED显示驱动电路和充电电路;所述电流检测电路用于检测所述电动马达的电流信号,该电流信号通过捕捉采样并与预设的阀值进行比较,当该电流信号超过预设的阀值时,则控制电路控制所述报警电路报警,以及通过所述马达驱动电路控制所述电动马达停止旋转。本实用新型能够有效地防止电动马达在工作中出现意外被卡死,避免电动马达因过载产生过大电流使其电子线路收到损害,并避免由此引发安全事故。


