授权公布号:CN214558272U
一种激光角焊装置
有效
申请
2021-03-29
申请公布
1970-01-01
授权
2021-11-02
预估到期
2031-03-29
| 申请号 | CN202120626820.7 |
| 申请日 | 2021-03-29 |
| 授权公布号 | CN214558272U |
| 授权公告日 | 2021-11-02 |
| 分类号 | B23K26/21 |
| 分类 | 机床;不包含在其他类目中的金属加工; |
| 申请人名称 | 宁波卡利亚厨卫科技有限公司 |
| 申请人地址 | 浙江省宁波市镇海区蛟川街道金元路598号 |
专利法律状态
2023-11-10
专利权质押合同登记的生效、变更及注销
状态信息
专利权质押合同登记的生效;IPC(主分类):B23K 26/21;专利号:ZL2021206268207;登记号:Y2023980062592;登记生效日:20231025;出质人:宁波卡利亚厨卫科技有限公司;质权人:宁波镇海农村商业银行股份有限公司开发区支行;实用新型名称:一种激光角焊装置;申请日:20210329;授权公告日:20211102
2021-11-02
授权
状态信息
授权
摘要
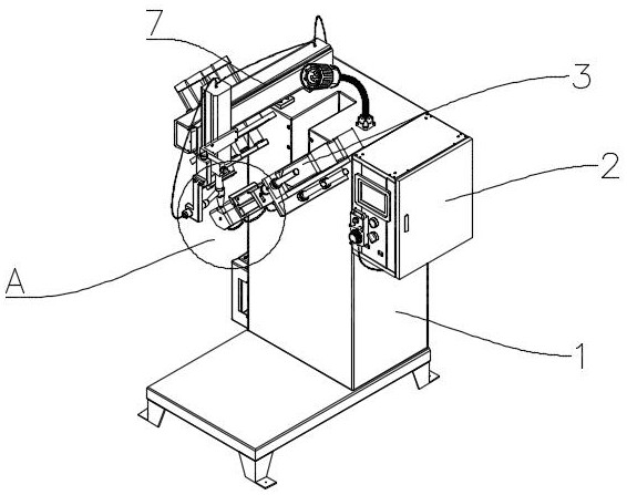
本实用新型公开了一种激光角焊装置,包括机架,机架上设有操控箱,机架上设有焊接夹具,焊接夹具倾斜设置,焊接夹具上设有焊接承座,焊接承座设有两个以上的垂直面,焊接承座上方设置有焊接枪,焊接枪与可使焊接枪在水平方向上发生位移的横置板相连,使得水槽的棱角焊接作业有了固定器械,解决了焊缝不均匀,焊接质量不高的问题。


