授权公布号:CN114808300B
一种节水节能织物pH调节工艺
有效
申请
2022-04-15
申请公布
2022-07-29
授权
2024-01-30
预估到期
2042-04-15
| 申请号 | CN202210394026.3 |
| 申请日 | 2022-04-15 |
| 申请公布号 | CN114808300A |
| 申请公布日 | 2022-07-29 |
| 授权公布号 | CN114808300B |
| 授权公告日 | 2024-01-30 |
| 分类号 | D06B1/00;D06B23/20;D06L1/12;D06L4/13;D06M11/76;D06M16/00;D06P5/02;D06P5/10;D06M101/06N |
| 分类 | 织物等的处理;洗涤;其他类不包括的柔性材料; |
| 申请人名称 | 广东溢达纺织有限公司 |
| 申请人地址 | 广东省佛山市高明区沧江出口加工区 |
专利法律状态
2024-01-30
授权
状态信息
授权
2022-08-16
实质审查的生效
状态信息
实质审查的生效;IPC(主分类):D06B1/00;申请日:20220415
2022-07-29
公布
状态信息
公布
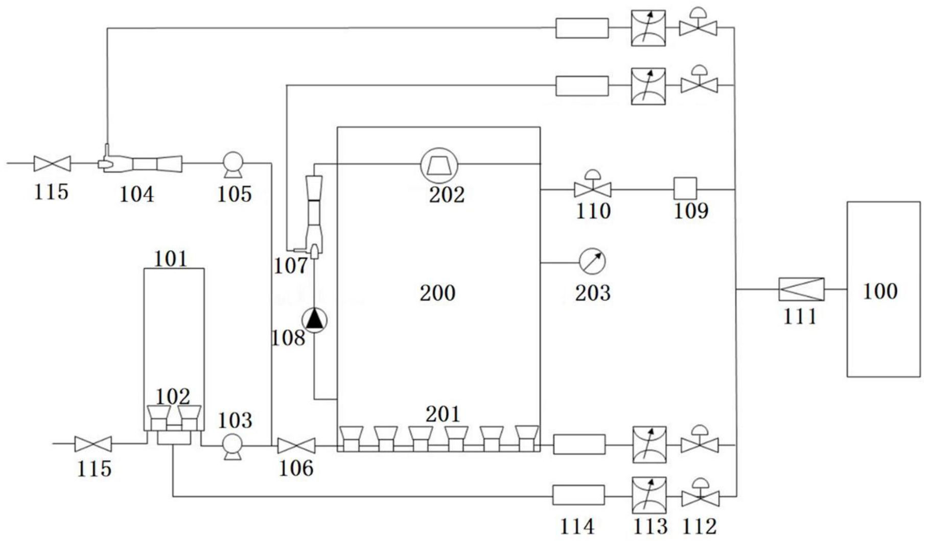
摘要
本发明公开了一种节水节能织物pH调节工艺。所述节水节能织物pH调节工艺包括以下过程:在织物染整过程中需要加酸中和时,无需置换面料放置容器内的废液,直接向面料放置容器中通入二氧化碳气体和/或饱和碳酸溶液进行酸洗,调节织物pH为5.0‑7.5。采用该工艺使织物pH达到中性的要求,减少排水停机、进水环节,有效节约25%‑50%生产用水。本发明工艺有效解决目前常规染整工艺调节织物pH采用的分浴分步法需排液、水洗再酸洗过程中造成的时间和能源浪费以及排放的大量碱性液体影响污水处理系统正常运行的问题。使用本发明工艺可有效减少织物在碱处理后调节布面pH时的用水单耗量,有利于织物染整的可持续发展。


