授权公布号:CN213725248U
一种植物提取物过滤装置
有效
申请
2020-10-30
申请公布
1970-01-01
授权
2021-07-20
预估到期
2030-10-30
| 申请号 | CN202022463376.X |
| 申请日 | 2020-10-30 |
| 授权公布号 | CN213725248U |
| 授权公告日 | 2021-07-20 |
| 分类号 | B01D36/00;B01D36/02 |
| 分类 | 一般的物理或化学的方法或装置; |
| 申请人名称 | 青海瑞湖生物资源开发有限公司 |
| 申请人地址 | 青海省西宁市青海生物科技产业园区食品保健品集聚区5号楼4层 |
专利法律状态
2021-07-20
授权
状态信息
授权
摘要
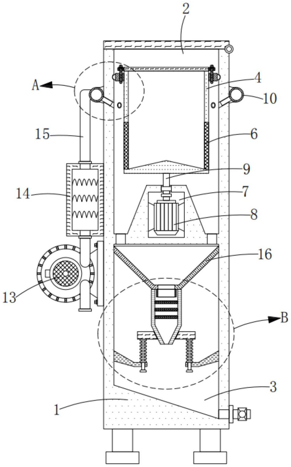
本实用新型提供一种植物提取物过滤装置。所述植物提取物过滤装置包括筒体;分离腔,所述分离腔开设在所述筒体的顶部;细过滤腔,所述细过滤腔开设在所述筒体上并位于所述分离腔的下方;分离筒,所述分离筒设置在所述分离腔内;导环,所述导环固定套设在所述分离筒上,所述导环的外圈和所述分离腔的内壁转动连接;分离网,所述分离网固定镶嵌在所述分离筒的内壁上;传动腔,所述传动腔开设在所述筒体上,所述传动腔位于所述分离腔和所述细过滤腔之间;电机,所述电机固定安装在所述传动腔内。本实用新型提供的植物提取物过滤装置具有多次过滤结合使用、过滤效果好、提高了过滤效率、且减少浪费的优点。


