授权公布号:CN213368197U
一种红外感应浴霸
有效
申请
2020-11-07
申请公布
1970-01-01
授权
2021-06-04
预估到期
2030-11-07
| 申请号 | CN202022552404.5 |
| 申请日 | 2020-11-07 |
| 授权公布号 | CN213368197U |
| 授权公告日 | 2021-06-04 |
| 分类号 | H05B47/13;F24D13/02;F24F7/007;F21V33/00 |
| 分类 | 其他类目不包含的电技术; |
| 申请人名称 | 嘉兴市菲勒电器有限公司 |
| 申请人地址 | 浙江省嘉兴市秀洲区王店镇南塘2号南区 |
专利法律状态
2021-06-04
授权
状态信息
授权
摘要
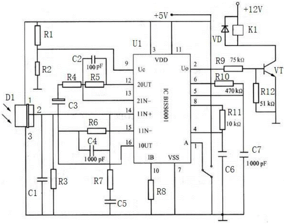
本实用新型公开了一种红外感应浴霸,用于通过红外感应进行开闭浴霸灯,包括浴霸主体、浴霸灯和电路板,所述电路板内置于所述浴霸主体,所述浴霸灯部分内嵌于所述浴霸主体,所述浴霸灯和所述电路板电性连接,所述电路板包括红外感应电路,所述红外感应电路包括红外传感器D1和处理器U1。本实用新型公开的一种红外感应浴霸,直接安装在淋浴室,当冬天时人们直接走进淋浴室,红外传感器感应到人体就会自动开启浴霸灯,走出淋浴室及关闭浴霸灯,通过无直接接触进行浴霸灯的开关,实现智能化和安全化。


