授权公布号:CN215714833U
一种智能道闸
有效
申请
2021-08-27
申请公布
1970-01-01
授权
2022-02-01
预估到期
2031-08-27
| 申请号 | CN202122037459.7 |
| 申请日 | 2021-08-27 |
| 授权公布号 | CN215714833U |
| 授权公告日 | 2022-02-01 |
| 分类号 | E01F13/04 |
| 分类 | 道路、铁路或桥梁的建筑; |
| 申请人名称 | 昱瑾网络科技(上海)有限公司 |
| 申请人地址 | 上海市奉贤区南桥镇宁富路288号1幢6层 |
专利法律状态
2022-02-01
授权
状态信息
授权
摘要
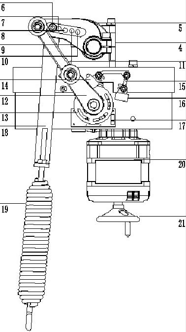
本实用新型公开了一种智能道闸,包括道闸主体,道闸主体上设置有闸杆,道闸主体上电安装有呼吸灯,道闸主体内安装有轴承座,轴承座上设有主轴上拐臂,主轴上拐臂上开设有第一弹簧固定孔、第二弹簧固定孔、第三弹簧固定孔、第四弹簧固定孔和第五弹簧固定孔,主轴上拐臂连接连杆,连杆连接电机输出轴拐臂,电机输出轴拐臂连接磁铁背板,电机输出轴拐臂上设置有水平限位堵头,水平限位堵头连接堵头座,堵头座连接垂直限位堵头,电机输出轴拐臂连接电机,电机底部设有手轮,主轴上拐臂上连接弹簧拉钩,弹簧拉钩末端安装有拉伸弹簧。本实用新型结构灵活,适用范围更广。


