授权公布号:CN115616257B
用于超高压的交直流测试切换装置及交直流测试切换方法
有效
申请
2022-12-05
申请公布
2023-01-17
授权
2023-04-07
预估到期
2042-12-05
| 申请号 | CN202211545673.6 |
| 申请日 | 2022-12-05 |
| 申请公布号 | CN115616257A |
| 申请公布日 | 2023-01-17 |
| 授权公布号 | CN115616257B |
| 授权公告日 | 2023-04-07 |
| 分类号 | G01R1/04;G01R31/12;G01R31/14 |
| 分类 | 测量;测试; |
| 申请人名称 | 常州同惠电子股份有限公司 |
| 申请人地址 | 江苏省常州市新北区新竹路1号 |
专利法律状态
2023-04-07
授权
状态信息
授权
2023-01-17
公布
状态信息
公布
摘要
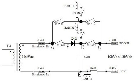
本发明涉及一种用于超高压的交直流测试切换装置及交直流测试切换方法,属于安规测试领域,所述交直流测试切换装置包括切换单元、MCU控制单元、超高压交流单元、整流单元及超高压输出单元。本发明的用于超高压的交直流测试切换装置及交直流测试切换方法,将单独的10kV的交流高压仪器和12kV的直流高压仪器集成于一体,并可以自动控制,自由的切换,通过简单的继电器组合,解决了常规高压继电器的触点耐压不足问题,相比于原有的一台交流超高压、一台直流超高压两台不同功能的单机,提高了仪器的集成度,大大减少了整机成本。


