授权公布号:CN209694897U
一种可调节水温的即热饮水机
有效
申请
2019-01-21
申请公布
1970-01-01
授权
2019-11-29
预估到期
2029-01-21
| 申请号 | CN201920091390.6 |
| 申请日 | 2019-01-21 |
| 授权公布号 | CN209694897U |
| 授权公告日 | 2019-11-29 |
| 分类号 | A47J31/00;A47J31/46;A47J31/54 |
| 分类 | 家具;家庭用的物品或设备;咖啡磨;香料磨;一般吸尘器; |
| 申请人名称 | 广州帝胜智能科技有限公司 |
| 申请人地址 | 广东省广州市番禺区沙头街道丽景路38号 |
专利法律状态
2019-11-29
授权
状态信息
授权
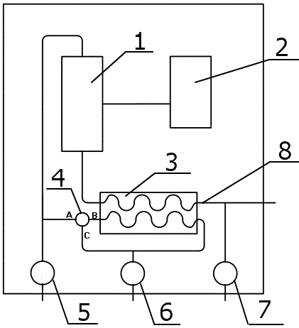
摘要
一种可调节水温的即热饮水机,包括发热体,主控板,换热器,调节阀,开水出口,温水出口,冷水出口及冷水进口,所述的主控板通过控制发热体加热烧水,开水可以直接取用或者通过调节阀调节流经换热器换热的开水比例,换热后的温水与未经换热的开水混合后流出得到温水。


