授权公布号:CN106665287B
一种适用于园林喷灌的自移式小型喷灌机
有效
申请
2017-02-28
申请公布
2017-05-17
授权
2023-03-21
预估到期
2037-02-28
| 申请号 | CN201710113444.X |
| 申请日 | 2017-02-28 |
| 申请公布号 | CN106665287A |
| 申请公布日 | 2017-05-17 |
| 授权公布号 | CN106665287B |
| 授权公告日 | 2023-03-21 |
| 分类号 | A01G25/09 |
| 分类 | 农业;林业;畜牧业;狩猎;诱捕;捕鱼; |
| 申请人名称 | 江苏华源节水股份有限公司 |
| 申请人地址 | 江苏省徐州市铜山区大彭工业集聚区 |
专利法律状态
2023-03-21
授权
状态信息
授权
2017-06-09
实质审查的生效
状态信息
实质审查的生效;IPC(主分类):A01G25/09;申请日:20170228
2017-05-17
公布
状态信息
公布
摘要
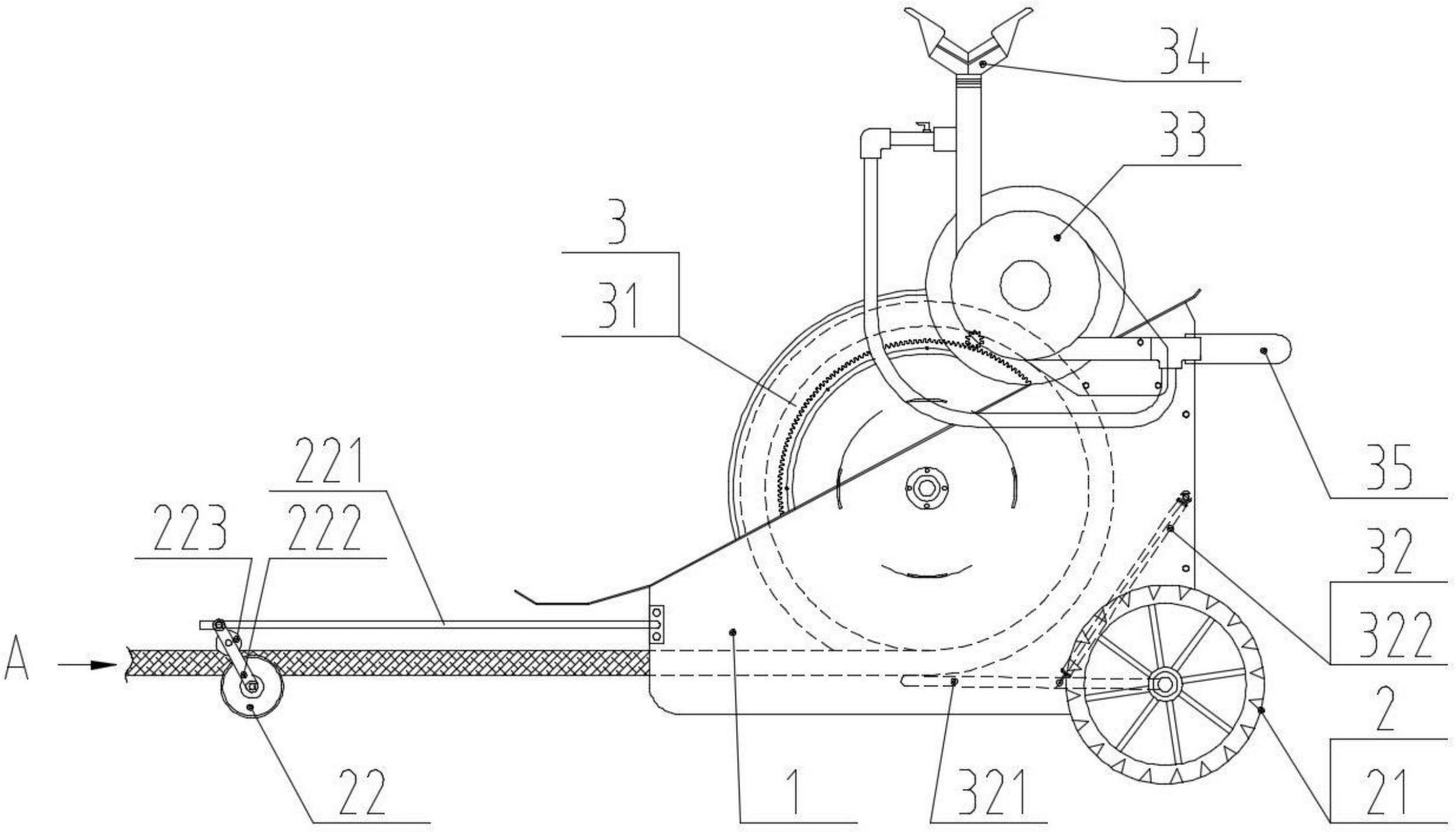
本发明公开了一种适用于园林喷灌的自移式小型喷灌机,包括机架(1)、行走装置(2)和喷灌装置(3);喷灌装置(3)包括喷灌卷盘(31)、喷灌PE管、压管机构(32)、水涡轮一体变速箱(33)和喷头(34);行走装置(2)包括前轮(21)和导向后轮(22)。本适用于园林喷灌的自移式小型喷灌机,采用水涡轮驱动整机实现喷灌及自回收移动,方便对园林植被进行喷灌、且使用灵活性高、便于维护,不仅不需要在园林喷灌区域预埋输水管网、不需要考虑喷头组合间距等问题,而且自移动的喷灌方式可以在节约水资源的前提下实现喷灌土壤中的水平均匀分布、保证均匀灌溉,进而实现减少园林施工工程量、节约施工成本,特别适用于园林喷灌。


