授权公布号:CN209911793U
一种双电压自动切换的转换电路
有效
申请
2019-05-21
申请公布
1970-01-01
授权
2020-01-07
预估到期
2029-05-21
| 申请号 | CN201920737893.6 |
| 申请日 | 2019-05-21 |
| 授权公布号 | CN209911793U |
| 授权公告日 | 2020-01-07 |
| 分类号 | G05B19/042 |
| 分类 | 控制;调节; |
| 申请人名称 | 东莞市洁康超声波设备有限公司 |
| 申请人地址 | 广东省东莞市樟木头镇裕丰宝丰工业区宝廷路二栋二楼 |
专利法律状态
2020-01-07
授权
状态信息
授权
摘要
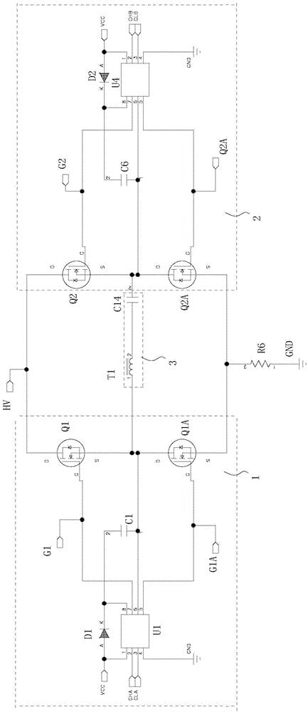
本实用新型涉及电力电子技术领域,具体涉及一种双电压自动切换的转换电路,包括识别模块、PWM控制模块以及半桥和全桥转换模块;所述半桥和全桥转换模块包括第一桥臂和第二桥臂;所述第一桥臂包括第一驱动模块、第一开关管以及第二开关管;所述第二桥臂包括第二驱动模块、第三开关管以及第四开关管;还包括负载模块,所述负载模块连接于第一开关管与第二开关管的公共连接端以及第三开关管与第四开关管的公共连接端之间。本实用新型通过设置识别模块、PWM控制模块、半桥和全桥转换模块以及负载模块,能够根据输入电压的大小,从而半桥和全桥转换模块自动在半桥状态以及全桥状态转换,从而同时兼容220V以及110V电压。


