授权公布号:CN218335417U
一种双电压自动切换电路
有效
申请
2022-09-08
申请公布
1970-01-01
授权
2023-01-17
预估到期
2032-09-08
| 申请号 | CN202222395067.2 |
| 申请日 | 2022-09-08 |
| 授权公布号 | CN218335417U |
| 授权公告日 | 2023-01-17 |
| 分类号 | H02J9/06 |
| 分类 | 发电、变电或配电; |
| 申请人名称 | 深圳市超洁科技实业有限公司 |
| 申请人地址 | 广东省深圳市宝安区沙井街道坣岗社区沙中路27号二层 |
专利法律状态
2023-01-17
授权
状态信息
授权
摘要
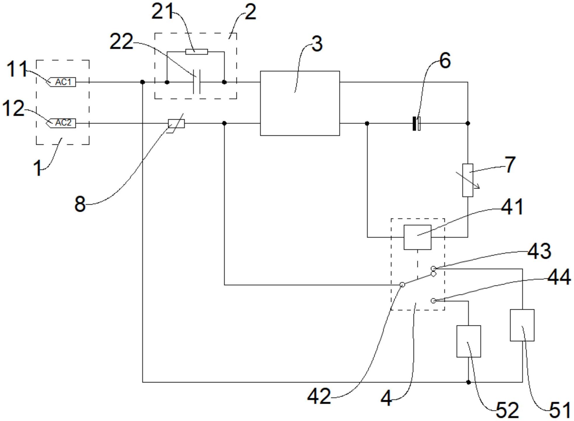
本实用新型涉及一种双电压自动切换电路,包括交流输入端、阻容降压电路单元、桥式整流电路单元、继电器、交流输出端,交流输入端、桥式整流电路单元、继电器的线圈依次连接,交流输入端AC2与继电器的公共端连接,交流输出端包括低压交流输出端、高压交流输出端。本实用新型通过阻容降压电路单元对输入的市电进行降压限流,只有交流输入端输入的交流电的电压为高压交流电时,继电器才会工作,通过继电器使电源在不同电压之间自动切换,可使交流输入端自动切换与低压交流输出端、高压交流输出端之间的连接,所使用的元器件少,电路简单、安全可靠。


