授权公布号:CN106669355B
基于影像识别除霜技术一体化油气回收装置
有效
申请
2017-02-17
申请公布
2017-05-17
授权
2023-05-09
预估到期
2037-02-17
| 申请号 | CN201710086444.5 |
| 申请日 | 2017-02-17 |
| 申请公布号 | CN106669355A |
| 申请公布日 | 2017-05-17 |
| 授权公布号 | CN106669355B |
| 授权公告日 | 2023-05-09 |
| 分类号 | B01D53/02;F25B7/00;F25B47/02;F25B49/02;F25J1/02 |
| 分类 | 一般的物理或化学的方法或装置; |
| 申请人名称 | 南京五洲制冷集团有限公司 |
| 申请人地址 | 江苏省南京市江宁科学园天印大道1529号 |
专利法律状态
2023-05-09
授权
状态信息
授权
2017-06-09
实质审查的生效
状态信息
实质审查的生效;IPC(主分类):B01D53/02;申请日:20170217
2017-05-17
公布
状态信息
公布
摘要
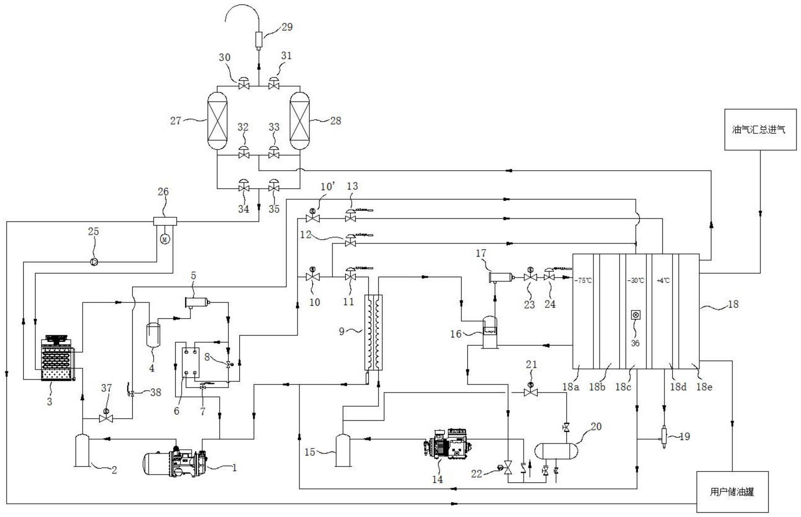
本发明公开了一种基于影像识别除霜技术一体化油气回收装置,包括由油气管道连接的冷凝系统和吸附系统;冷凝系统用于去除油气中的水分,液化并回收油气中含量多沸点高的组分;吸附系统用于回收油气中含量少沸点低的组分;冷凝系统与吸附系统共同连接一冷却设备,该冷却设备用于同时为冷凝系统的一级冷凝和吸附系统的真空泵提供冷却功能。本发明实现单一部件实现多种功能,在机组功能不变的前提下,将原本复杂的油气回收冷凝系统和吸附系统简洁化。利用单一压缩机实现两种蒸发温度,利用蒸发式冷凝器同时解决了冷凝系统的冷却问题和吸附系统的冷却问题,利用影像识别器除霜技术结合电子膨胀阀精准控制冲霜解决了系统长时间低温运行的不连续性问题。


