授权公布号:CN220650777U
一种三相输入缺相检测电路
有效
申请
2023-07-14
申请公布
1970-01-01
授权
2024-03-22
预估到期
2033-07-14
| 申请号 | CN202321862661.6 |
| 申请日 | 2023-07-14 |
| 授权公布号 | CN220650777U |
| 授权公告日 | 2024-03-22 |
| 分类号 | G01R29/16 |
| 分类 | 测量;测试; |
| 申请人名称 | 济南邦德激光股份有限公司 |
| 申请人地址 | 山东省济南市高新区新泺大街1299号鑫盛大厦1号楼21A(经营场所位于东区ICT智能装配工业园) |
专利法律状态
2024-03-22
授权
状态信息
授权
摘要
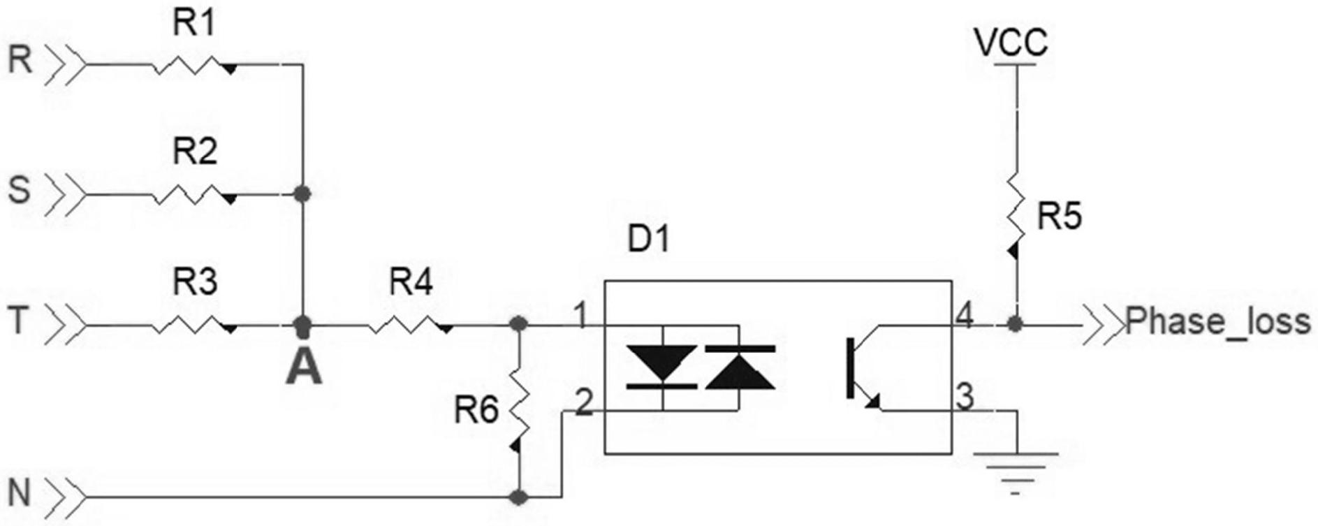
本申请公开了一种三相输入缺相检测电路,包括:交流限流模块以及双向光耦隔离输出模块;交流限流模块包括与三相输入R端连接的电阻R1、与三相输入S段连接的电阻R2、与三相输入T段连接的电阻R3;电阻R1、第二电阻、电阻R3另一端与光耦限流模块相连;双向光耦隔离输出模块一端与光耦限流模块相连,另一端输出缺相信号到后级执行电路;双向光耦隔离输出模块包括光耦,光耦用于将原边信号传输到副边。不同于常见的三相输入缺相检测电路,不需要常见检测方式中的三相整流桥,滤波电容,电压传感器,运放,比较器等常见器件,只需一路光耦,电路响应快,延时低且电路结构极简单,成本极低,可靠性更高。


