授权公布号:CN220373422U
冲头旋转控制结构及冲孔机
有效
申请
2023-03-22
申请公布
1970-01-01
授权
2024-01-23
预估到期
2033-03-22
| 申请号 | CN202320591246.5 |
| 申请日 | 2023-03-22 |
| 授权公布号 | CN220373422U |
| 授权公告日 | 2024-01-23 |
| 分类号 | B26F1/14;B26D7/26 |
| 分类 | 手动切割工具;切割;切断; |
| 申请人名称 | 广东金悦来自动化设备有限公司 |
| 申请人地址 | 广东省东莞市道滘镇昌平商业路13号 |
专利法律状态
2024-01-23
授权
状态信息
授权
摘要
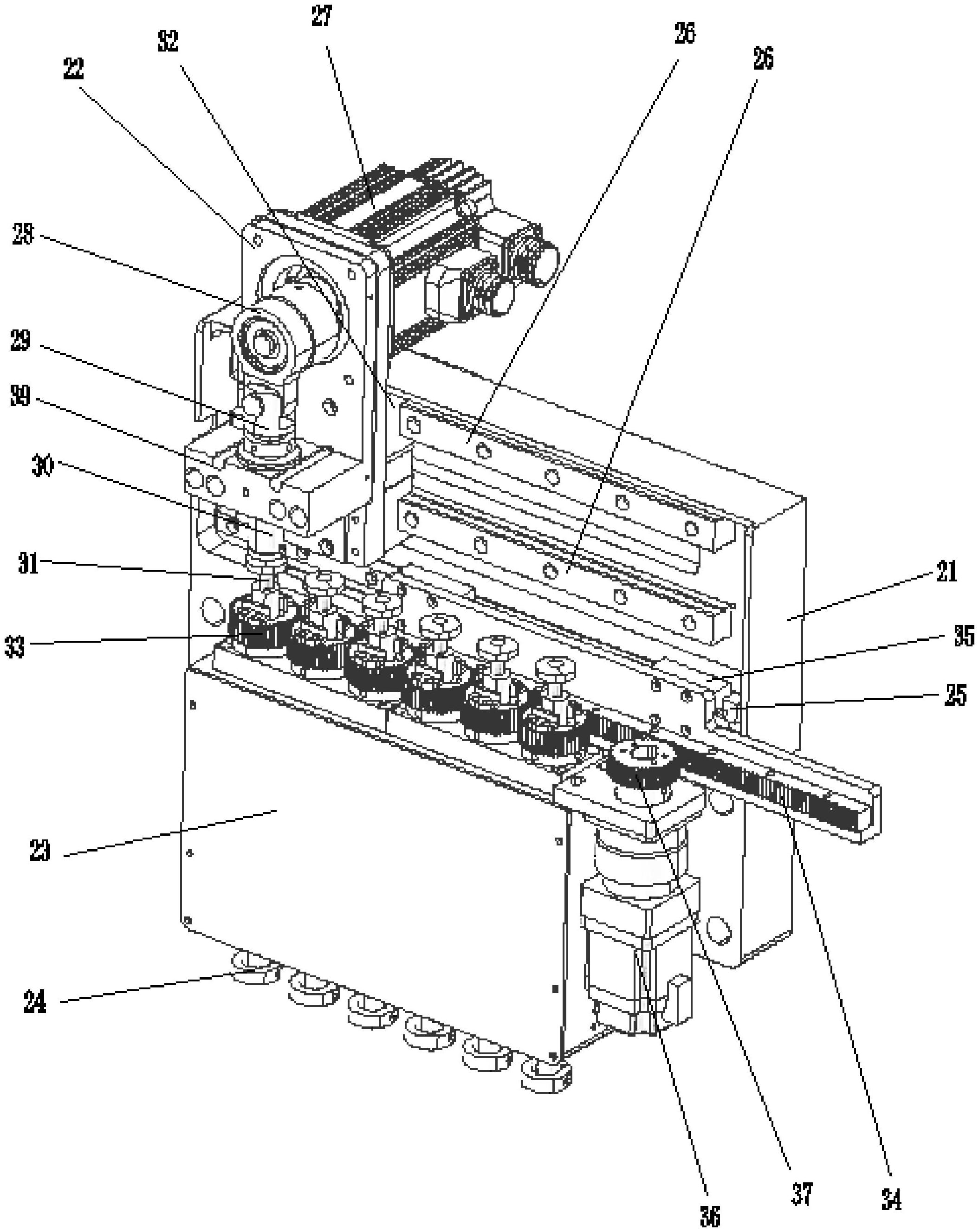
本实用新型公开一种冲头旋转控制结构及冲孔机,所述冲头旋转控制结构包括有升降驱动单元;冲头安装板,其受所述升降驱动单元的驱动而可上下动作;冲头,其绕Z轴向可转动式设置于所述冲头安装板上,且沿X轴向并排设置有两个以上,每个冲头同轴设置有第一齿轮;齿条,其沿X轴向延伸设置,所述齿条啮合传动连接于所述第一齿轮;齿条平移驱动单元,其驱动所述齿条沿X轴向可往复位移。如此,实现一同对多个冲压头能够绕各自的自身轴向进行旋转角度控制,便于调节各冲压头的角度,以冲出不同角度花式孔,而且通过旋转冲压头,连续多次冲压可形成类似花瓣状的冲压孔,使得冲孔机的加工功能更加丰富,而且,其结构简单,易于实现,可行可控。


