授权公布号:CN213937527U
一种柴油机消防泵强启系统
有效
申请
2020-11-05
申请公布
1970-01-01
授权
2021-08-10
预估到期
2030-11-05
| 申请号 | CN202022542534.0 |
| 申请日 | 2020-11-05 |
| 授权公布号 | CN213937527U |
| 授权公告日 | 2021-08-10 |
| 分类号 | H02J9/06;A62C37/00 |
| 分类 | 发电、变电或配电; |
| 申请人名称 | 上海成峰流体设备有限公司 |
| 申请人地址 | 上海市松江区小昆山镇新港路1号1幢 |
专利法律状态
2021-08-10
授权
状态信息
授权
摘要
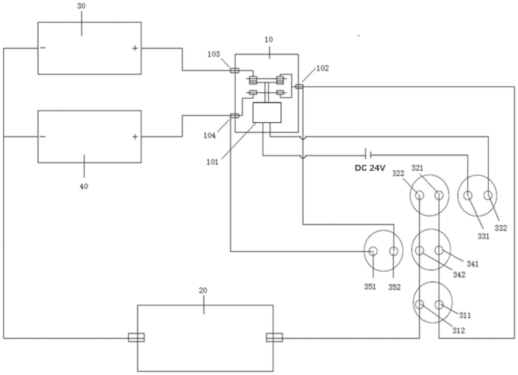
本实用新型提供了一种柴油机消防泵强启系统,包括:直流接触器、柴油机启动马达、主用电瓶、备用电瓶、接线装置;所述主用电瓶、备用电瓶分别与所述直流接触器连接;所述接线装置分别连接直流接触器和柴油机启动马达。所述接线装置进一步包括主用电瓶接线柱、备用电瓶接线柱、双电瓶切换接线柱、双电瓶接线柱和双电瓶并联接线柱。本实用新型采用3组相同功能接线柱,安全系数高,结构简易,成本低;能通过切换操作装置,实现主电瓶、备用电瓶和双电瓶强启,更加保险安全。


