授权公布号:CN218407962U
拖拉机的转向控制和举升液压系统
有效
申请
2022-09-20
申请公布
1970-01-01
授权
2023-01-31
预估到期
2032-09-20
| 申请号 | CN202222482845.1 |
| 申请日 | 2022-09-20 |
| 授权公布号 | CN218407962U |
| 授权公告日 | 2023-01-31 |
| 分类号 | F15B1/08;F15B11/16;F15B13/02;F15B13/01;F15B19/00;F15B21/041 |
| 分类 | 流体压力执行机构;一般液压技术和气动技术; |
| 申请人名称 | 江苏合丰机械制造有限公司 |
| 申请人地址 | 江苏省苏州市张家港市南丰镇南丰村合丰机械 |
专利法律状态
2023-01-31
授权
状态信息
授权
摘要
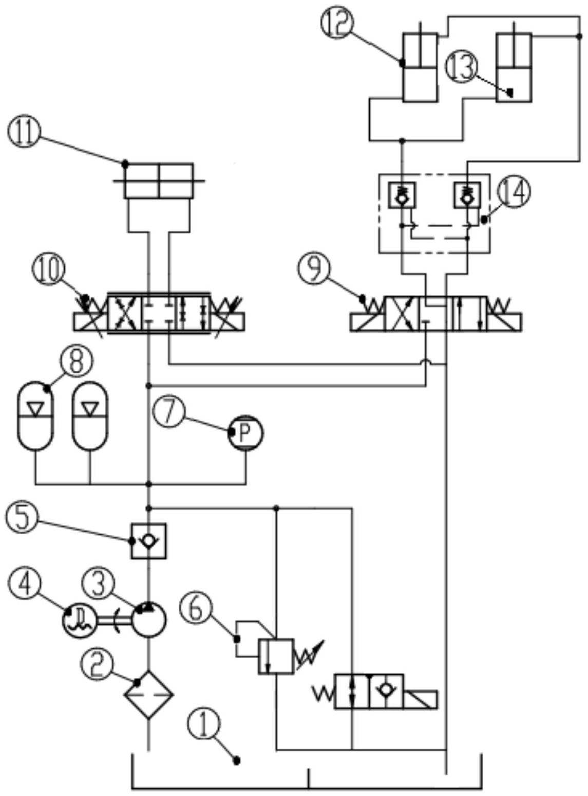
本实用新型公开了一种拖拉机的转向控制和举升液压系统,包括控制装置、油箱、转向油缸、举升油缸,油箱的出油管上沿出油方向依次设有出油泵送组件、单向阀、比例换向阀,比例换向阀与转向油缸相连接,比例换向阀的回油通道出口与回油管相连接,检测拖拉机转向主轴转动角度的角度传感器与控制装置电连接以控制比例换向阀的开度;比例换向阀进油通道与电磁换向阀的进油通道相连通,电磁换向阀与举升油缸相连接,电磁换向阀的回油通道与回油管相连接,电磁换向阀与控制装置电连接;出油管上在单向阀出口处连接有溢流阀,溢流阀的回油通道与油箱相连接,所述出油管上在压力传感器处设有蓄能器。


