授权公布号:CN217082946U
一种具有强消毒效果的热水器
有效
申请
2022-04-03
申请公布
1970-01-01
授权
2022-07-29
预估到期
2032-04-03
| 申请号 | CN202220758028.1 |
| 申请日 | 2022-04-03 |
| 授权公布号 | CN217082946U |
| 授权公告日 | 2022-07-29 |
| 分类号 | F24H9/00;F24H9/1818;C02F1/50 |
| 分类 | 供热;炉灶;通风; |
| 申请人名称 | 广东汉诺威电器有限公司 |
| 申请人地址 | 广东省中山市东凤镇威成街18号 |
专利法律状态
2022-07-29
授权
状态信息
授权
摘要
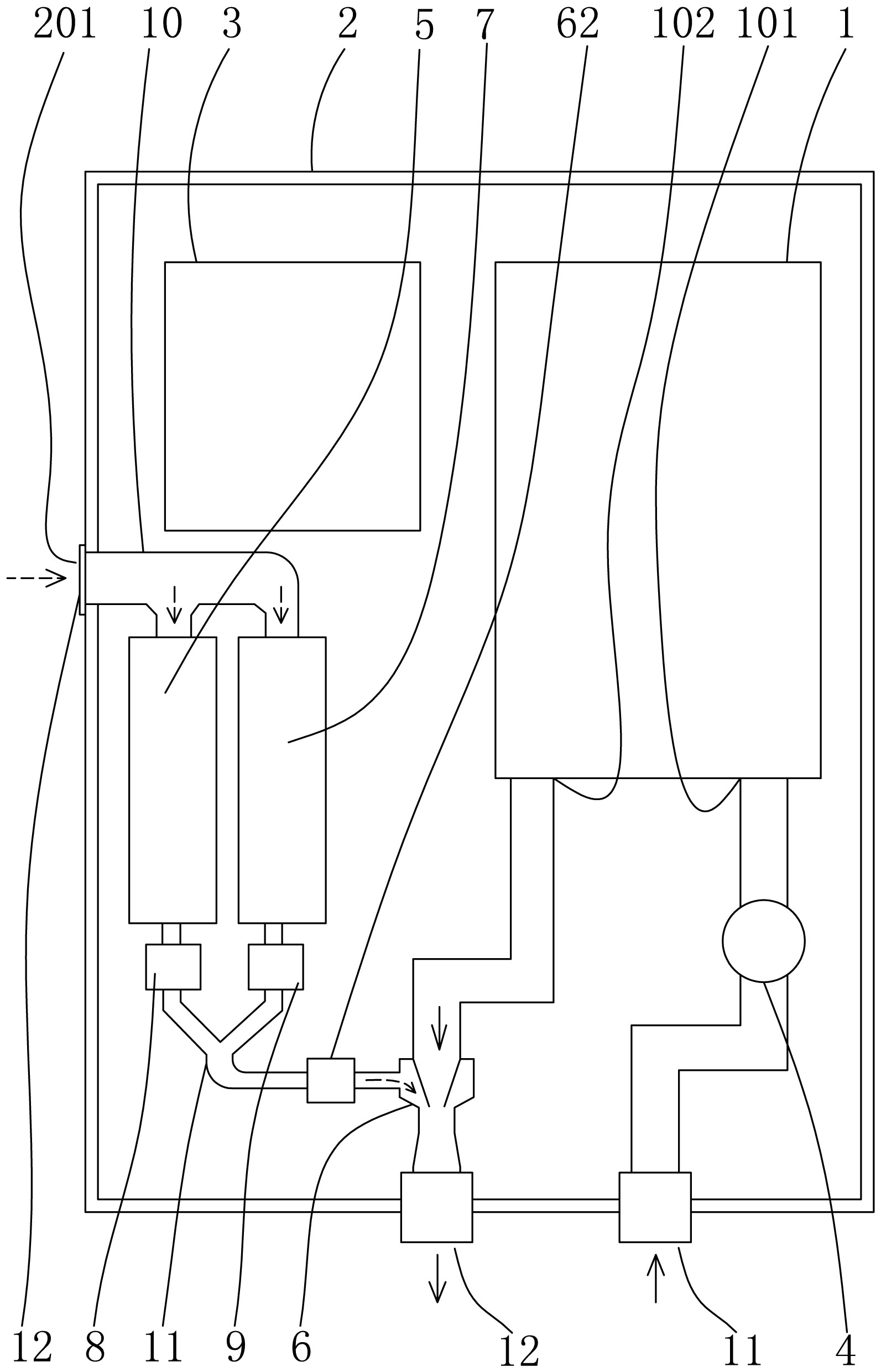
本实用新型公开了一种具有强消毒效果的热水器,其外壳内设有羟基自由基发生器、射流器及臭氧发生器,羟基自由基发生器设有第一进气口及第一出气口,臭氧发生器设有第二进气口及第二出气口,射流器进水口与电热装置出水口接通连接,射流器出水口与热水器出水接口接通连接,外壳形成有空气入口,空气入口与第一进气口及第二进气口通过进气三通管件连接,射流器吸气口与第一出气口及第二出气口通过出气三通管件连接,第一出气口与出气三通管件之间设有第一电动蝶阀,第二出气口与出气三通管件之间设有第二电动蝶阀。本实用新型的热水器可以输出含臭氧及羟基自由基的水体,有利于对使用者及周边环境起到一定的消毒杀菌作用。


