授权公布号:CN110165255B
一种燃料电池发动机空压控制系统及方法
有效
申请
2019-07-10
申请公布
2019-08-23
授权
2023-05-26
预估到期
2039-07-10
| 申请号 | CN201910618095.6 |
| 申请日 | 2019-07-10 |
| 申请公布号 | CN110165255A |
| 申请公布日 | 2019-08-23 |
| 授权公布号 | CN110165255B |
| 授权公告日 | 2023-05-26 |
| 分类号 | H01M8/0438;H01M8/04746;H01M8/04992;H01M8/04089 |
| 分类 | 基本电气元件; |
| 申请人名称 | 武汉雄韬氢雄燃料电池科技有限公司 |
| 申请人地址 | 湖北省武汉市武汉经济技术开发区神龙大道18号太子湖文化数字创意产业园创谷启动区B4001号 |
专利法律状态
2023-05-26
授权
状态信息
授权
2019-08-23
公布
状态信息
公布
摘要
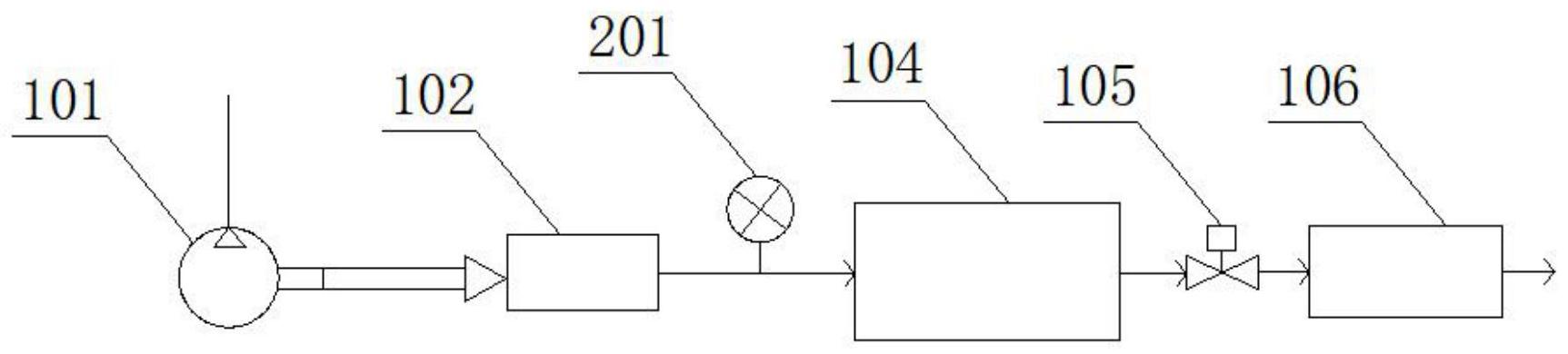
本发明公开了一种燃料电池发动机空压控制系统及方法,包括空气供给模块和压力控制模块,空气供给模块包括依次相连的空压机、加湿器、燃料电池电堆、背压阀和汽水分离器,压力控制模块包括依次串接的压力传感器、信号采样电路、滤波电路、模/数转换电路和控制器,压力传感器为电流型传感器,设于燃料电池电堆的空气入口处,压力传感器采集的电流信号依次经过信号采样电路、滤波电路和模/数转换电路后传输至控制器处理,控制器分别与空压机和背压阀通讯连接。通过对空压机转速和背压阀开度的联合调节,及背压阀的PID闭环控制,使得燃料电池电堆入口处压力值与系统所需压力设定值偏差减小,进而使的系统运行更加稳定。


