授权公布号:CN207865047U
一种甲烷气体激光探测泵吸装置
有效
申请
2018-02-06
申请公布
1970-01-01
授权
2018-09-14
预估到期
2028-02-06
| 申请号 | CN201820204968.X |
| 申请日 | 2018-02-06 |
| 授权公布号 | CN207865047U |
| 授权公告日 | 2018-09-14 |
| 分类号 | F17D5/02;G01M3/04 |
| 分类 | 气体或液体的贮存或分配; |
| 申请人名称 | 西安管畅环保科技有限公司 |
| 申请人地址 | 陕西省西安市高新区唐延南路东侧逸翠园-西安(二期)第2幢1单元16-17层11624号房 |
专利法律状态
2018-09-14
授权
状态信息
授权
摘要
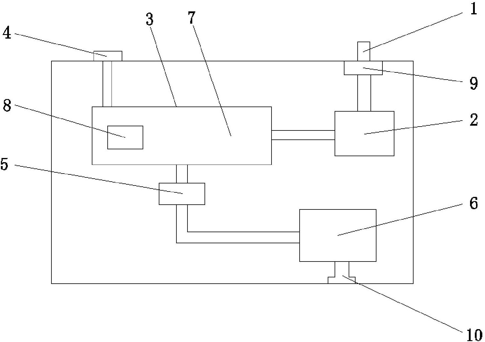
本实用新型公开了一种甲烷气体激光探测泵吸装置,所述装置内部设有样气采集端口、内置泵吸、激光检测仪、尾气排出端口、数据分析模块和GPSmap数据传输模块,所述样气采集端口、内置泵吸、激光检测仪、数据分析模块和GPSmap数据传输模块依次连接,其中激光检测仪连接尾气排出端口,其中样气采集端口连接检测探头,所述GPSmap数据传输模块通过无线网与GCSOFT系统进行数据传输。本实用新型测试速度快,识别率高,最低1PPM即可检测;使用光学原理,元器件寿命长,可达10年以上,不需要定期标定;特异性强,1653nm波长激光只针对甲烷反应,对其他气体不敏感;本实用新型设计符合人体力学,轻巧便携。


