授权公布号:CN112375861B
高炉均压放散煤气回收设备
有效
申请
2020-10-30
申请公布
2021-02-19
授权
2021-09-24
预估到期
2040-10-30
| 申请号 | CN202011187426.4 |
| 申请日 | 2020-10-30 |
| 申请公布号 | CN112375861A |
| 申请公布日 | 2021-02-19 |
| 授权公布号 | CN112375861B |
| 授权公告日 | 2021-09-24 |
| 分类号 | C21B7/00;C21B7/22 |
| 分类 | 铁的冶金; |
| 申请人名称 | 包头市泽润机械设备有限责任公司 |
| 申请人地址 | 内蒙古自治区包头市滨河新区机电工业园区凤至路15号 |
专利法律状态
2023-07-14
专利权质押合同登记的生效、变更及注销
状态信息
专利权质押合同登记的生效;IPC(主分类):C21B7/00;专利号:ZL2020111874264;登记号:Y2023150000090;登记生效日:20230627;出质人:包头市泽润机械设备有限责任公司;质权人:中国银行股份有限公司包头市青山支行;发明名称:高炉均压放散煤气回收设备;申请日:20201030;授权公告日:20210924
2023-07-14
专利权质押合同登记的生效、变更及注销
状态信息
专利权质押合同登记的生效;IPC(主分类):C21B7/00;登记号:Y2023150000090;登记生效日:20230627;出质人:包头市泽润机械设备有限责任公司;质权人:中国银行股份有限公司包头市青山支行;发明名称:高炉均压放散煤气回收设备;申请日:20201030;授权公告日:20210924
2023-07-07
专利权质押合同登记的生效、变更及注销
状态信息
专利权质押合同登记的注销;IPC(主分类):C21B7/00;授权公告日:20210924;申请日:20201030;登记号:Y2022150000060;出质人:包头市泽润机械设备有限责任公司;质权人:中国银行股份有限公司包头市青山支行;解除日:20230620
2022-07-15
专利权质押合同登记的生效、变更及注销
状态信息
专利权质押合同登记的生效;IPC(主分类):C21B7/00;登记号:Y2022150000060;登记生效日:20220629;出质人:包头市泽润机械设备有限责任公司;质权人:中国银行股份有限公司包头市青山支行;发明名称:高炉均压放散煤气回收设备;申请日:20201030;授权公告日:20210924
2021-09-24
授权
状态信息
授权
2021-03-09
实质审查的生效
状态信息
实质审查的生效;IPC(主分类):C21B7/00;申请日:20201030
2021-02-19
公布
状态信息
公布
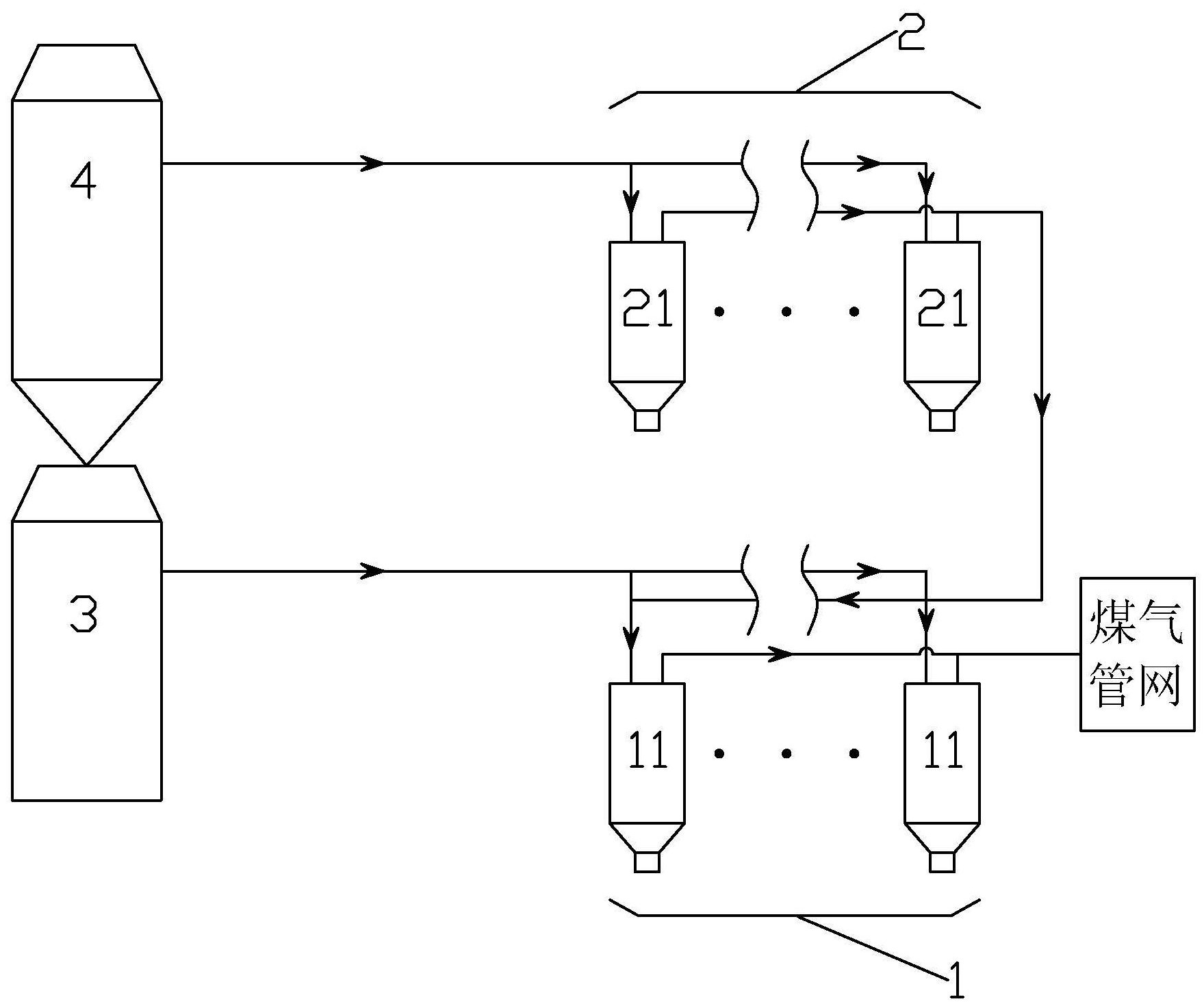
摘要
本发明公开了一种高炉均压放散煤气回收设备,包括高炉煤气回收组件和料罐煤气回收组件;高炉煤气回收组件包括第一回收罐,第一回收罐的入口通过管路与高炉连通,第一回收罐的出口通过管路与煤气管网连接;料罐煤气回收组件包括第二回收罐,第二回收罐的入口通过管路与料罐连接,第二回收罐的出口通过管路与第一回收罐连接;第一回收罐和第二回收罐内均设有强排装置和过滤装置。本发明能够同步实现煤气回收,克服了现有技术存在的回收煤气含尘量高,压力波动大,对净煤气管网造成污染等问题,同时避免有毒气体的大量排放和粉尘污染;设备结构简单,降低噪音,无需消耗大量的水电等能源即可将高炉均压煤气进行回收,回收成本低。


