授权公布号:CN214419182U
一种配置高强石膏基自流平砂浆用混合罐
有效
申请
2021-01-18
申请公布
1970-01-01
授权
2021-10-19
预估到期
2031-01-18
| 申请号 | CN202120126259.6 |
| 申请日 | 2021-01-18 |
| 授权公布号 | CN214419182U |
| 授权公告日 | 2021-10-19 |
| 分类号 | B28C5/24 |
| 分类 | 加工水泥、黏土或石料; |
| 申请人名称 | 安徽丝买建材科技有限公司 |
| 申请人地址 | 安徽省合肥市南二环与宿松路交口绿地中心春晓街3幢3层商铺308-309 |
专利法律状态
2021-10-19
授权
状态信息
授权
摘要
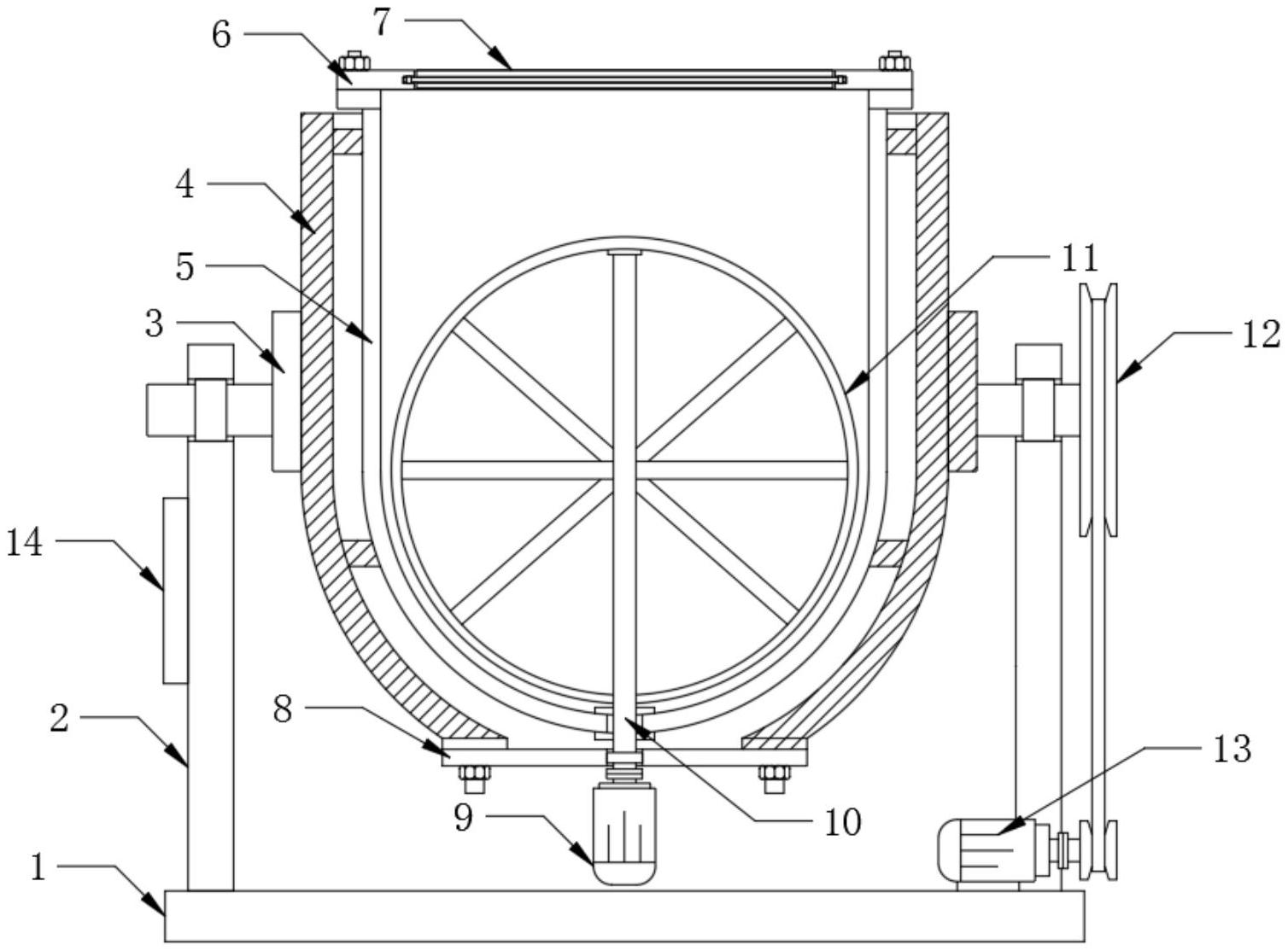
本实用新型属于混合罐技术领域,尤其为一种配置高强石膏基自流平砂浆用混合罐,包括底座,所述底座顶端焊接安装有支撑板,所述支撑板相互靠近的一侧转动安装有连接架,所述连接架相互靠近的一侧焊接连接有外壳,所述外壳内壁焊接安装有混合筒,所述混合筒顶端螺栓安装有盖板,所述盖板顶端转动安装有密封板,所述外壳底端螺栓安装有安装板,所述安装板底端螺栓安装有第一电机,所述第一电机输出端通过联轴器连接安装有转动轴,所述转动轴顶端贯穿延伸至混合筒内并套设安装有混料架,所述连接架一侧贯穿支撑板并连接安装有从动滚轮。本实用新型整体设计合理,有效的增加混合效果,方便出料,且有着较好的温度保持效果。


