授权公布号:CN206283260U
一种供电质量优化装置
有效
申请
2016-08-17
申请公布
1970-01-01
授权
2017-06-27
预估到期
2026-08-17
| 申请号 | CN201620888959.8 |
| 申请日 | 2016-08-17 |
| 授权公布号 | CN206283260U |
| 授权公告日 | 2017-06-27 |
| 分类号 | H02J3/18;H02J3/01;H02J3/12 |
| 分类 | 发电、变电或配电; |
| 申请人名称 | 新能动力(北京)电气科技有限公司 |
| 申请人地址 | 北京市昌平区昌平路97号新元科技C座507 |
专利法律状态
2017-06-27
授权
状态信息
授权
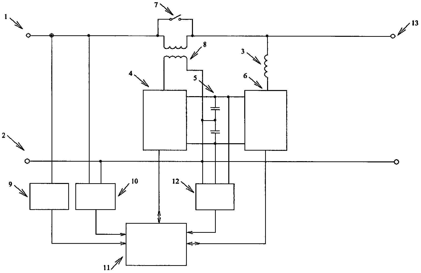
摘要
本实用新型涉及一用于提高电网供电质量的装置。针对配网供电线路末端电压远低于允许范围,同时电压波动很大,低压电网普遍频繁出现过负荷现象,导致低压线路损耗显著增大,整个低压电网的功率因数低,供电电压波动大,供电合格率低,并对电器设备造成巨大危害。为低压电网加装供电质量优化装置,可实时自动调节供电电压,使其稳定于标准值,可向用电设备直接提供无功,大幅度降低低压配电网的线路损耗,使无功就地达到平衡,提高配电网实际输电容量,消除谐波电流在线路产生的损耗及对其他用电设备产生的干扰。


