授权公布号:CN205791529U
一种供电质量优化装置
有效
申请
2016-05-26
申请公布
1970-01-01
授权
2016-12-07
预估到期
2026-05-26
| 申请号 | CN201620484078.X |
| 申请日 | 2016-05-26 |
| 授权公布号 | CN205791529U |
| 授权公告日 | 2016-12-07 |
| 分类号 | H02J3/01;H02J3/12;H02J3/18 |
| 分类 | 发电、变电或配电; |
| 申请人名称 | 新能动力(北京)电气科技有限公司 |
| 申请人地址 | 北京市昌平区昌平路97号新元科技C座507 |
专利法律状态
2016-12-07
授权
状态信息
授权
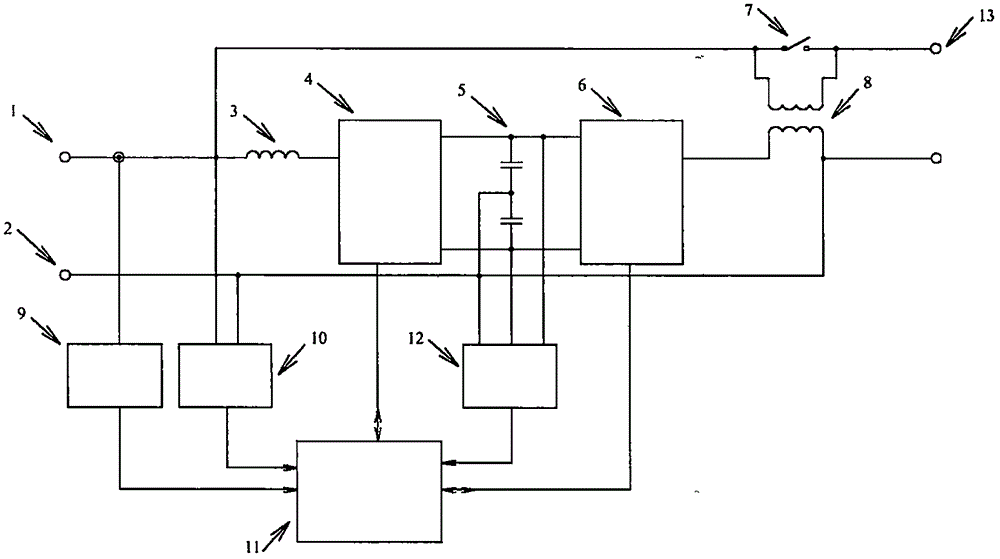
摘要
一种供电质量优化装置,包括:交流电源输入;单相可逆倍压电路,用于调节交流侧电流及直流电压;输入电抗器,用于限制、平滑交流电源电流;直流滤波电路,用于实现电压滤波功能;单相逆变电路,用于实现将直流电转变为交流电;变压器,用于将单相逆变电路的输出交流电耦合并变压至副边绕组;旁路开关,用于供电质量优化装置待机或故障时的保护;交流电压传感器,用于检测交流电源的电压;直流电压传感器电路,用于检测直流电压;电流传感器,用于检测交流电源的电流;控制单元,采集交流电源电压、直流电压、交流电流信号;控制单相可逆倍压电路、单相逆变电路工作状态;控制旁路开关通断。本实用新型可实时自动调节供电电压,大幅度降低低压配电网的线路损耗,提高配电网实际输电容量,消除谐波电流在线路产生的损耗及对其他用电设备产生的干扰。


