授权公布号:CN101540580B
一种电能回馈装置
有效
申请
2008-03-18
申请公布
2009-09-23
授权
2012-03-14
预估到期
2028-03-18
| 申请号 | CN200810084692.7 |
| 申请日 | 2008-03-18 |
| 申请公布号 | CN101540580A |
| 申请公布日 | 2009-09-23 |
| 授权公布号 | CN101540580B |
| 授权公告日 | 2012-03-14 |
| 分类号 | H02P9/00;H02P9/42;H02M5/44;H02M5/45;H02M7/521;H02M1/12;H02M1/42;H02M5/458;H02M7/5387;H02M5/10 |
| 分类 | 发电、变电或配电; |
| 申请人名称 | 新能动力(北京)电气科技有限公司 |
| 申请人地址 | 北京市海淀区上地开发区东北旺南路1号 |
专利法律状态
2023-11-03
专利权质押合同登记的生效、变更及注销
状态信息
专利权质押合同登记的生效;IPC(主分类):H02P9/00;专利号:ZL2008100846927;登记号:Y2023980061534;登记生效日:20231018;出质人:新能动力(北京)电气科技有限公司;质权人:兴业银行股份有限公司北京自贸试验区高端产业片区支行;发明名称:一种电能回馈装置;申请日:20080318;授权公告日:20120314
2023-10-24
专利权质押合同登记的生效、变更及注销
状态信息
专利权质押合同登记的注销;IPC(主分类):H02P9/00;授权公告日:20120314;申请日:20080318;登记号:Y2019990000097;出质人:新能动力(北京)电气科技有限公司;质权人:北京石创同盛融资担保有限公司;解除日:20231007
2019-09-13
专利权质押合同登记的生效、变更及注销
状态信息
专利权质押合同登记的生效;IPC(主分类):H02P9/00;登记号:Y2019990000097;登记生效日:20190820;出质人:新能动力(北京)电气科技有限公司;质权人:北京石创同盛融资担保有限公司;发明名称:一种电能回馈装置;申请日:20080318;授权公告日:20120314
2017-07-04
专利权质押合同登记的生效、变更及注销
状态信息
专利权质押合同登记的注销;IPC(主分类):H02P9/00;授权公告日:20120314;申请日:20080318;登记号:2016990000199;出质人:新能动力(北京)电气科技有限公司;质权人:北京知识产权运营管理有限公司;解除日:20170612
2016-04-06
专利权质押合同登记的生效、变更及注销
状态信息
专利权质押合同登记的生效;IPC(主分类):H02P9/00;登记号:2016990000199;登记生效日:20160311;出质人:新能动力(北京)电气科技有限公司;质权人:北京知识产权运营管理有限公司;发明名称:一种电能回馈装置;申请日:20080318;授权公告日:20120314
2012-03-14
授权
状态信息
授权
2010-01-20
专利申请权、专利权的转移(专利申请权的转移)
状态信息
专利申请权、专利权的转移(专利申请权的转移)变更项目:申请人变更前权利人:张东胜 申请人地址:北京市海淀区五道口华清嘉园19号楼603 邮政编码:100083变更后权利人:新能动力(北京)电气科技有限公司 申请人地址:北京市海淀区上地开发区东北旺南路1号 邮政编码:100193;登记生效日:2009.12.18
2009-12-23
实质审查的生效
状态信息
实质审查的生效
2009-09-23
公布
状态信息
公布
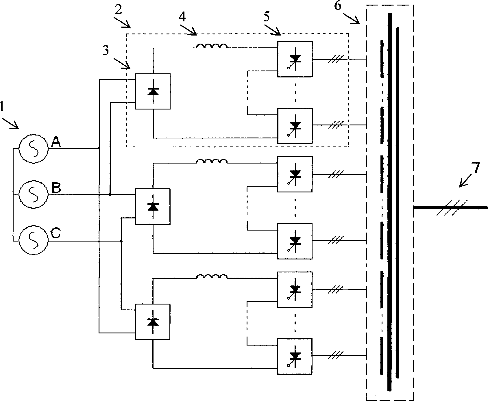
摘要
本发明涉及一种电能回馈装置。本发明的特点是,其包括一个由发电设备产生的三相交流输入电源;一个用于向电网回馈电能的隔离变压器,该变压器原边为三相绕组,与电网联接,其副边为多路三相绕组;多个功率变换单元,各功率变换单元的输入端与上述三相交流电源中的两相联接,功率变换单元的输出端,分别与上述隔离变压器的副边绕组连接。上述功率变换单元包括一个由二极管连接成的、将单相交流电变为直流电的整流桥电路;一个与上述整流桥电路的输出端联接的电感;以及一个与上述电感及整流桥电路联接的晶闸管三相全控桥式电路或晶闸管三相全控桥式电路串,该晶闸管三相全控桥式电路串是由多个晶闸管三相全控桥式电路的直流端串联联接而成。本发明的目的是设计一种电能回馈装置,成本低,可靠性高,转换效率高,发电机输出端电流及网侧电流正弦度高,谐波含量低,可大量推广使用,以提高清洁能源发电的利用率。


