授权公布号:CN109632056B
一种多台流量计串联标定液体装置
有效
申请
2019-02-02
申请公布
2019-04-16
授权
2022-07-12
预估到期
2039-02-02
| 申请号 | CN201910106547.2 |
| 申请日 | 2019-02-02 |
| 申请公布号 | CN109632056A |
| 申请公布日 | 2019-04-16 |
| 授权公布号 | CN109632056B |
| 授权公告日 | 2022-07-12 |
| 分类号 | G01F25/10 |
| 分类 | 测量;测试; |
| 申请人名称 | 江苏华海测控技术有限公司 |
| 申请人地址 | 江苏省淮安市金湖县工业园区华海路299号 |
专利法律状态
2022-07-12
授权
状态信息
授权
2020-07-03
实质审查的生效
状态信息
实质审查的生效;IPC(主分类):G01F25/00;申请日:20190202
2019-04-16
公布
状态信息
公布
摘要
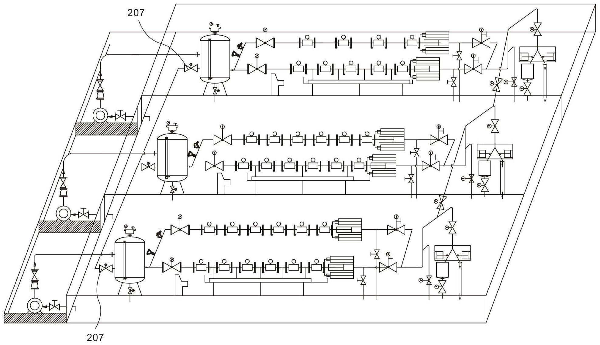
本发明公开了一种多台流量计串联标定液体装置,包括,支撑组件,包括第一容置空间和第二容置空间,所述第一容置空间内设有控制件,所述第二容置空间内放置标定组件;标定组件,包括被测件、夹表器和稳压容器,所述稳压容器一端与所述控制件相连接,另一端与所述被测件相连接,所述被测件的另一端与所述夹表器相连接;其中,所述被测件由数量两个及两个以上的被测表串联组成。本发明克服现有的一次只能标定一种规格一台产品的限制,它可以同时标定若干种不同规格口径的产品,而且同一规格可以一次标定多台产品,流量计测量的范围广,精度更高,使用更方便,降低劳动成本与标定成本,提高工作效率。


